CHAPTER 4
COCOON DRYING, STORAGE AND SORTING 

Contents - Previous - Next

4.1 Objective of cocoon drying

The key goal of cocoon drying is to protect cocoon quality, preserve condition of cocoons for reeling and prevent damage caused by long periods of storage. The first hazard is the continued metamorphosis of the pupa. A newly emergent moth will pierce the shell rendering the cocoon useless for conversion to raw silk. Exposure to excessive moisture within the cocoon causes putrification and moulds. Drying kills the pupa and evaporates moisture that would, otherwise, ruin cocoons.

4.2 Mechanism of cocoon drying

Water content will vary according to silkworm type, rearing seasons and whether a cocoon is produced by a male or female. Table 13 shows the moisture content of the cocoon.

Table 13. Optimum moisture content of dried cocoons

Division

Fresh cocoon (%)

Dried cocoon (%)

Cocoon shell

11 – 12

6 – 7

Body of pupa

75 – 79

7 – 13

Whole of cocoon

61 – 54

8 - 12


As the majority of water is contained in the body of the pupa, the extent of drying will depend upon the actual moisture content. When fresh cocoons are placed in the drying machine, water in the cocoon shell evaporates rapidly and heat enters the pup through the shell. After the pupa is dead, generally 10 minutes water in the pupal’s body evaporates very quickly. Cocoon drying continues gradually and when the desired amount of water has evaporated, the speed of drying is reduced relative to the decrease of moisture until drying is completed.

a) Drying temperature

The drying temperature impacts the cocoon shell and its resultant raw silk yield. For example, if the temperature exceeds certain limits, sericin degenerates and concurrently efficiency, reelability and raw silk percentage declines. It is advisable to observe the following limits: For hot air drying 115 ± 5° C is recommended on contact with the cocoon. For steam-heat drying 102 ± 2° C is the preferred guideline. While setting a higher finishing temperature increases drying efficiency, the melting point of sericin declines when the drying rate exceeds 50 percent. The finishing temperature should be reduced gradually from 60° C in hot air drying and 55° C in steam-heat drying.

b) Effect of wind humidity and velocity

The humidity of drying air has little influence on cocoon quality: however poor ventilation can cause high temperature and humidity, which will hurt reelability quality. It is advisable to maintain the relative humidity at 4-5 percent at the initial stage of drying, and at 16-19 percent at the later stage, to prevent excessive reductions of water in the cocoon shell.

Wind velocity as an isolated factory has little effect on the cocoon quality. However if air pressure is not uniform throughout in the drying machine there is a risk of uneven drying.

4.3 Various methods of stifling/drying

In countries like Japan that have advanced techniques of sericulture, bivoltine cocoons are dried using hot air generated by electricity or steam. This modern method is only suitable for bivoltine species. In tropical areas where multivoltine cocoons predominate, the main procedure is steam stifling. The following describes the three methods of cocoon drying in commercial use:

a) Sun drying

No investment is required to kill pupae and dry cocoons in bright sunshine. Clearly, this is only possible in tropical and sub-tropical zones. Fresh cocoons are spread in thin layers on a mot or planks of wood and exposed to direct sunlight. Depending on the strength of the sun, the process takes two to three days. Though cheap and simple to employ, the main disadvantage is silk fibre’s sensitivity to ultra-violet rays, which harm fibre strength and colour. Since there are limited facilities for quick marketing of cocoons, sun drying continues to be utilized in many tropical and sub-tropical countries.

b) Steam stifling

Generally, in many tropical and sub-tropical countries, fresh cocoons are heaped into a basket and steamed in small reeling units. In big reeling units with a boiler, the steam chambers are used for stifling. Chamber steaming represents an improvement over baskets as the cocoons are spread in thin layers. Steam works well for multivoltine cocoons, which are soft and reel easily without long periods in storage. After steaming, these cocoons may be easily cooked in an open pan, a method commonly used in India. Steam is rapid as pupae are killed within 30 minutes. Immediately after stifling, the cocoons are spread on spacious, well-ventilated shelves and left for three to four days partial drying prior to reeling. The cocoons must be turned over frequently to prevent the growth of mould. If left for extended periods, such as more than a month, the risk of mould is pronounced even with frequent turning and satisfactory ventilation. This damage is especially acute during the rainy season.

c) Hot air-drying

The hot air drying method is very common for bivoltine cocoons in sericulturally advanced countries. The hot air dryer essentially comprises:

  1. Drying chamber, in which fresh cocoons are placed preferably in thin layers
  2. A fan to maintain constant and uniform air current throughout the layers along with an efficient ventilator to drive out moisture avoiding condensation inside the chamber, and
  3. A heater for heating the air driven by the fan. Precise thermostatic control for regulating the temperature should also be installed in the drying.

4.4 Degree of drying

Optimum percentage of drying signifies that fresh cocoons have been processed from 37 to 42 percent to withstand storage over a long period. Excessive drying occurs when percentages exceed the ideal range. For example, 40 percent of drying means that 100 g of fresh cocoons have been dried up to 40 g. Correct drying enables cocoons to withstand long-term storage of 6 to 12 months without developing mould. When the fingers can crush the pupa, the optimum degree of drying has been achieved. Much skill is needed to derive this ratio empirically. One way is to add a factor of 20 to the cocoon shell percent. A new way is application of the following formula for optimum drying.

Optimum percentage of drying =              (0.0115 x mc of fresh cocoons – 0.2104)
                                                               x percent of cocoon shell – 1.15
                                                               x mc of fresh cocoon + 115
                                                              (mc = moisture content)

4.5 Types of drying machines and methods

The silk industry now utilizes a range of drying machines and attachments suited to available technology plus drying conditions. The following are most popularly used: shelf-carrier/cabinet type, one band type, multi-step and low temperature air duct type.

a) Shelf-carrier/Cabinet type dryer

This type performs the drying operation through a chamber, which has layers of trays with perforated bottoms. Numerous steam pipes are laid in parallel under the bottom and on opposite walls to heat the inside of the chamber. Fans are fixed on opposite walls in order to produce the parallel air current on each tray of the shelf-carrier. Radiated heat and natural air currents (Figure 5) then dry the cocoons.

Drying method: Initial temperature is 100° C ± 2° C, which is gradually lowered to the finishing temperature of 60-50° C.

The drying time from fresh cocoons to the required dried state is about 7 hours. Because of its simple structure, this type of dryer can malfunction if temperature control and distribution is not skilfully carried out. Considerable manual labour is needed to spread cocoons on the trays and remove them after completion. The Cabinet type for cocoon testing places the fresh cocoons in drawers for drying and is equipped with an aerofin heater and powerful electric fan at the upper section. The electric fan makes the air circulate inside the machine by changing the revolution direction at given intervals for minimizing uneven drying. This style is adequate for the pilot silk reeling plants or research institutes. 

Shelf-carrier/Cabinet type dryer T: cocoon tray, H: heater, F: fan, S: air inlet, E: air outlet

Figure 5. Shelf-carrier/Cabinet type dryer
T: cocoon tray, H: heater, F: fan, S: air inlet, E: air outlet

b) One band type dryer

This is a one-band type continuous system medium-sized cocoon drying machine incorporating wire netting conveyers. Cocoons are spread on the wired net conveyor at 300 to 400 m/m thick by a cocoon supplying conveyor. The machine consists of four to eight chambers according to the drying capacity with a moving conveyor and equipped with an air blower, heater, air supplying and exhausting dampers and thermo controller in each chamber.

In addition, it has an air cooling chamber where the dried cocoons are cooled (Figure 6). Hot air passes through the heater permeating into the layers of cocoons from the top to the bottom, and vice versa, by air changing over damper which connects with a timer which automatically opens and closes. A part of the air is extinguished, while fresh air is sucked from outside into the air blower for circulation. This type has strong advantages. It takes up little space and each section of the dryer has an exact drying temperature. However, heavy electric power and much skill are needed in order to achieve even drying, compared to the multi-step hot air dryer.

One step band type dryer F: fan, H: heater, S: air inlet, E: air outlet

Figure 6. One step band type dryer
F: fan, H: heater, S: air inlet, E: air outlet


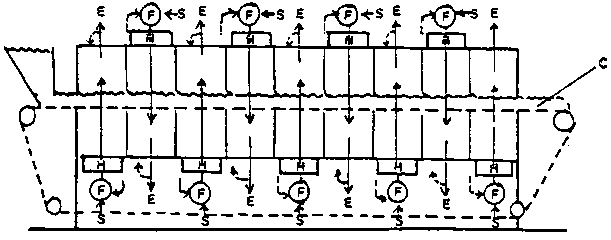
c) Hot air circulating type dryer (multi-step)

This machine dries cocoons with hot air heated outside of the machine, which is then blown in. It has three sections: upper, middle and lower, which have different air heating conditions (Figure 7 and Figure 8). The multi-step improves drying efficiencies by being able to maintain the drying conditions acceptable by perpetuating a steady circulation of air.

Hot air circulating type dryer (section)

Figure 7. Hot air circulating type dryer (section)

Hot air circulating type dryer (side view) C: conveyor, H: heater, F: fan, S: air inlet, E: air outlet

Figure 8. Hot air circulating type dryer (side view)
C: conveyor, H: heater, F: fan, S: air inlet, E: air outlet

The temperature at the commencement of drying is 110-115° C, which is then lowered in stages to 100, 90, 80 and 70° C until the final temperature of 60-55° C is reached. The duration of drying from fresh cocoon to standard dried condition is 5.5 to 6.0 hours, when the target degree of 39-42 percent drying can be reached. There are various kinds of this type of dryer, such as the Six-step, Eight-step and Ten-step. The Eight-step temperature dryer is the most preferred. This type has strong advantages such as even drying achieved by a proper mixing of cocoons and economical heat energy settings for drying, even though it is expensive and demands much space for installation. This dryer is, therefore, suitable for a large-scale modern silk reeling factory.

d) Low temperature air duct type dryer

This type is often chosen since it can be used as a storage room after use. As shown in Figure 9, warm air from the upper part of the air chamber goes through the cocoon storage and comes out of the underfloor after drying. Thick layers of cocoons can cause uneven drying: therefore, proper filling at reasonable intervals is desired. 

Low temperature air duct type dryer F: fan, H: heater, S: air inlet, E: air outlet

Figure 9. Low temperature air duct type dryer
F: fan, H: heater, S: air inlet, E: air outlet

The fresh cocoons for drying are piled and spread uniformly inside the drying room at a thickness of about 15 cm; the hot air at 80° C blows in for 4 hours. This work can be repeated until the filling of the cocoons reaches the desired height. After this, the hot air, which is gradually lowered by 5° C at intervals of 4 hours, should be blown in until it reaches the same temperature outside the drying room.

This method has strong advantages such as fewer installation costs and the dual purpose of drying and storage if continuous supplies of fresh cocoons are obtained during the drying work. There are, however, some constraints to this method. It is difficult to check the drying degree of cocoons; and there is a likelihood that the Cleanness of the raw silk quality deteriorates due to the improper swelling of cocoons during the cooking process. Therefore, greater caution should be exercised when handling this dryer.

4.6 Effects of drying conditions on reeling results

The initial drying temperature has the largest effect on the cocoon shell. When the temperature exceeds the highest limits, sericin is sharply degenerated leading to a decrease in raw silk percentage. In the case of steam-heat radiation drying, if the temperature is raised too high, it is liable to cause uneven drying as radiated heat degenerates the quality of the cocoon, bringing about bad results. If the initial temperature for cocoon drying is lowered too much, it is apt to deteriorate the neatness and cleanness result of the raw silk quality (Table 14). Incomplete drying may cause uneven cooking results and consequently lower the raw silk quality in relation to cleanness and neatness (Table 15). 

Table 14. Initial temperature for cocoon drying (Choe, et al. 1971)

Drying temperature

Raw silk (%)

Cocoon reelability (%)

Neatness (%)

Cleanness (%)

98-65° C

17.16

62.7

91.4

92.8

110-65° C

16.95

55.6

91.5

92.2

75-55° C

17.07

62.1

88.1

90.0

 

Table 15. Effect of incomplete drying on result of reeling
(Choe, et al. 1971)

Treatment

Raw silk (%)

Cocoon reelability (%)

Neatness (%)

Cleanness (%)

Remarks

Optimum drying

16.96

59.5

91.3

94.7

Drying

ratio : 42%

Incomplete drying

17.16

60.5

89.3

93.1

Drying

ratio : 44%


4.7 Cocoon storage

For dried cocoon storage, the best conditions will keep the raw materials for long periods without any damage from moulds and pests. In building the cocoon storage room, the following should be considered. Air space for ventilation must be provided at the bottom of the storage room, to prevent moisture coming up from underground as shown in the Appendix, Figure 9.

The cocoon stores should preferably be built with double walls.

If there is no double wall, every endeavour should be made to have the walls as thick as possible. Windows should be small and fixed at a high level and provided with an exhaust fan to enable moisture accumulating in the room to be drawn out. The storing room should be lined with an iron sheet, the windows should be covered with a wire net of about 1.5 mm mesh, the entire interior of the storeroom should be lined with wood panelling, including all walls, ceiling and floor.

Cloth or polyethylene bags are recommended as containers for dried cocoon storage. Cocoons weighing 200 litres are generally put in a bag. Shelves should be provided in three to four tiers and cocoon bags should be stored there. Bags should not be piled together. Alternatively, the warehouse should be partitioned into many small rooms, in which dried cocoons can be kept loosely. A cocoon storage bin "Honey Comb Tub Type" is recommended to reduce the fungus damage caused to dry cocoons during storage, especially during humid seasons (Appendix, Figure 8).

If humidity exceeds 70 percent, action should be taken to reduce humidity such as scattering calcium chloride (CaC12) or silica gel on the floor. (Chemicals can be recycled by heating.) Also, a heater can be used. Precautions should be taken to prevent fires.

After a long period of rain, if it is found that the pupa on testing has a moisture content of 15 percent or over, it will be necessary for the cocoons to be taken out on a clear day and spread out for drying in the shade.

If there is danger of fungal damages, it will be advisable to redry the cocoons at 60șC for two hours.

4.8 Sorting of cocoons

Silkworm farmers remove defective cocoons as well as the double cocoons before taking the produce to the market. Still there may be a small percentage of defective cocoons, which would have escaped preliminary sorting. Hence the cocoons require a second sorting to ensure uniform good quality cocoons for reeling. The type of defect generally encountered in the second sorting are double cocoons, crushed and stained cocoons, cocoons with prints of cocooning frame, flimsy cocoons and insect damaged cocoons, thin shelled cocoons and mouldy cocoons.

a) Method of sorting

The cocoons are spread out on tables with low partitions and the sorters sit around the tables and pick out the defective and double cocoons by visual inspection. The sorting room is generally located close to the cocoon stores and is provided with good ventilation and lighting.

Rejections are placed in a separate container. In the procedure described above, only obviously defective cocoons are rejected. This system of sorting, therefore, does not commend itself to modern techniques of reeling which aim at producing predetermined qualities of raw silk.

In advanced countries, the sorters detect even internally damaged cocoons and eliminate them by passing the cocoons over ground-glass plates illuminated from below. These glass plates generally measure about 38 x 38 cm2 and are fitted in cut-outs of equal size in a lamp blacked table top or moving platform (Appendix, Table 13).

A fluorescent light or sometimes even an ordinary 60-watt frost lamp placed in a suitable position under the platform provides the required illumination from below. When defective cocoons containing decomposed pupa and those with the inside discoloured pass over the glass plate they are easily detected. This method of sorting not only enables thorough sorting but is also economical, since the sorting work is made easier for the workers.

b) Cocoon mixing

In most modern factories, which aim at producing high-grade raw silk, the kinds of cocoons graded in the visual inspection or mechanical test are actually mixed in required proportions. This is called cocoon mixing or blending and is done to ensure speed and uniformity of reeling as well as to obtain the desired effect in raw silk. This sort of blending of cocoons has been found to be quite essential for ensuring a high degree of efficiency of automatic reeling machines.

Table 16. Qualities of raw silk reeled from sorted cocoons
(Song and Choe, 1970)

Items

Cocoons with decomposed pupa

Inside stained cocoons

Fluffy cocoons

Outside stained cocoons

Thin shell cocoons

Frame printed cocoons

Good cocoon

Cleanness (% )

74.8

83.7

85.8

85.1

84.5

93.4

95

Average neatness (%)

76.0

88.7

80.6

86.7

87.0

89.4

91

Low neatness (%)

69.3

78.8

73.3

78.5

80.0

82.3

83

Grade

E

D

E

C

D

A

2A

Contents - Previous - Next