The implementation of the project will be controlled by several important factors:
- the seasonal availability of fish stocks
- the potential for the site to be developed
- the availability of skilled staff
As Fig. 16 shows, the timing of these becomes critical, if the project is to achieve early viability and gain the opportunity for rapid development to a significant production scale.
Concerning the early development, Fig. 17 identifies the most critical activities which must be carried out to ensure effective operation during 1987, which is the earliest time in which a crop of fish could be introduced and grown on. In practical terms, it will be better to assume the import of initial stocks of eggs or fry; possibly also of tilapia, which might be obtainable throughout 1987. On this basis, the first marketable crops would be available from mid-1988 onwards, possibly slightly earlier if tilapia are used. It is difficult to define at this stage the potential production levels during the. early operational period; this would depend greatly on the availability and survival of initial stock. An initial production of at least 5 t would however be reasonable, and production up to the target 50 t may be obtainable under favourable conditions. Once fry supplies have been established, skilled staff become available, and routine production methods defined for local conditions, production could develop rapidly.
The early implementation of the present project by the local UNDP office, together with the valuable local initiatives, have done much to prepare the project for prompt initial physical development, and preliminary discussions have been carried out with a Locally based construction firm (MEMCO) who have indicated their ability to carry out the initial work within the approximate time scale. Initial quotations have been received and subject to normal verification, negotiation, tender and contract management, the company appears to be able to offer the necessary resources for a rapid and effective realization of Phase I of the project.
Details of proposed staff development and training programme are given in Appendix 4 and summarized in Table 13. There is some conflict between the need to train staff, particularly overseas, and the need to have capable staff immediately and directly involved in early production. The cycling of staff from project work to off-site training will have to be done carefully to avoid leaving the site under-resourced.
In order to achieve rapid and effective physical facilities, specialist design and construction management input, commissioning, supervision of initial production and provision of local training, it will be necessary to allow for assistance from outside aquaculture specialists, particularly during the first year of the project. This can be provided through specific consultancies, through a commercial management contract or with a combination of these. Table 14 outlines the type and timing of inputs likely to be required.
In the immediate term there are several specific actions which must be taken by the various parties concerned with the project; these are summarized in Table 15. It will be particularly important for the design and construction phase to confirm whether local current documents do coincide with the general current drift of the area.
FIGURE 1. Out Line Development Timetable; Marine Aquaculture


Figure 3. Proposed layout of Zawia Aquaculture Project



Graphs illustrating expected average individual growth of sea bass in Zawia site (above) and corresponding total fish biomass (below)
Figure 5. Hatchery - Feeding Programme

Figure 6. Metabolic requirements of stock


Graphs illustrating water flow requirement for each kg of fish (above) and total water flow needed (below) in zawia farm (harvesting from August to December)
Figure 7. Harvesting programmes


TWO HARVESTING PROGRAMMES 
Harvesting fish only over 300 g (above) and fish from 250 to 300 g average size (below)

Figure 9. Offices/Services Building Layout

NOTES
If the project is going to develop in phase 2 and become a long term training centre, it will need at least a further building for:
- rooms and services for guests and trainees
- a larger kitchen + restaurant for personnel guest and trainees
- a conference - library room
This building could be established on the flat area at the left of the entrance road of the farm, next to which could be sited visitor car parking facilities.
Depending on the foundation levels finally chosen, the option could be made of constructing the present office/services building in two floors, in which case part of the upper/lower will provide management offices from which the entire site can be viewed. The entrance space created will also provide for initial space for trainees, seminar room, etc.

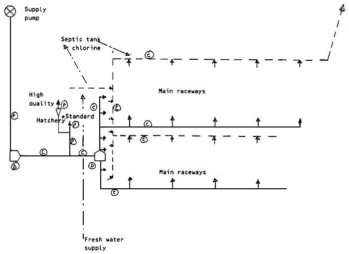
| (P) | = | pipe |
| (C) | = | channels |
| (D) | = | Distributor |
| * | = | see detail |
Figure 11. High quality water supply
HATCHERY WATER SYSTEMS
![]() | |||
| SEAWATER | |||
| Maximum waterflows | |||
| 1. | Larv make-up water : | 40 1/min | |
| 2. | Nurs. make-up water: | 120 1/m | |
| 3. | Phyto-zooplancton: | 100 1/m | |
| 4. | Spawning tanks. | 150 1/m | |
| 5. | Occasional needs. | 100 1/m | |
| Total: | 510 1/m | ||
| 6. | Nursery flowthrough: | 12 00 l/m | |
![]() | |||

Note: A concrete pipe may be used instead of an inlet channel
The pump well is cut into the rock ledge at the shore, then opened out seawards.
![]() | LARVAL TANKS |
| Recirculating system | |
| Maximum waterflws: | |
| tank: 2 m3/h = 33 1/min | |
| total: 24 m3/h = 400 1/min | |
| NURSERY TANKS | |
| Recirculating system | |
| Maximum waterflows | |
| tank 9 m3/h = 150 I/mm | |
| total 72 m3/h = 1200 I/mm | |
| Waste Water | |
HATCHERY : MR DISTRIBUTION


Timing phase 1

Timing Phase 2

Figure 17. Outline ‘Critical Paths’: Site Development, Zawia

TABLE 1: Summary.of Environmental Factors
| Seawater temperature: | Minimum: 12–14 °C January |
| Maximum: 28–30 °C August | |
| Approx. 6 800–7 600 degree-days | |
| Tidal amplitude: 30–60 cm | |
| Current directions: W - E, but some local eddying | |
| Rainfall: 200–350 mm in coastal zones | |
| Wind directions: NW dominant also NE, some SW | |
| Swell/wave height: Normally 1–3 m, maximum up to 8 m | |
TABLE 2: Production Patterns - Seabass Stock
| STAGES | AGE (months) | MEAN WEIGHT (final) | SURVIVAL % | No. of individuals per year | FACILITIES (TANKS) | ||
| Phase 1 | Phase 2 | Phase 1 | Phase 2 | ||||
| Broodstock | - | 0.5 – 3kg. | n.4 circular of 50m3 | ||||
| Spawning:eggs | - | 2.970.000 | 915.000 | n.6 circular of 5 m3 | |||
| 80 | 90 | ||||||
| Hatching | 0 | 2.375.000 | 824.000 | n.12 cylindro-conic of 2 m3 | |||
| 15 | 30 | ||||||
| Larvae | 1.5 | 0.1g | 356.000 | 247.000 | |||
| 70 | 90 | ||||||
| Weaning | 3 | 1 g | 250.000 | 222.000 | n.8 raceways of 9 m3 | ||
| 80 | 85 | ||||||
| Fry (pre-growing) | 6 | 25 g | 200.000 | 190.000 | n.16 raceways of 22.5nr | ||
| 90 | 93 | ||||||
| Fish (1st year) | 12 | 75 g | 180.000 | 175.000 | n.27 raceways of 140 m3 | ||
| 93 | 95 | ||||||
| Fish (2nd year) | 24 | 300 g | 167.000 | 167.000 | |||
TABLE 3: Stock Patterns - Use of Facilities
| Months | Operations | Number of raceways | 1st year (I) | Number of raceways | 2nd year (II) |
| full | empty | full | empty | ||
| Only 1st year activity | |||||
| March | 125.000 fry from hatchery | 8 | 8 | 0 | 27 |
| April | 125.000 fry " " | 16 | 0 | ||
| June | 100.000 juv.from I to II | 8 | 8 | 5 | 22 |
| 100.000 juv. thinned out (I) | 16 | 0 | |||
| From 2nd year activity. | |||||
| February | 90.000 fish from I to II | 0 | 16 | 15 | 12 |
| 90.000 fish thinned out (I) | |||||
| March–April | 250.000 fry from hatchery | 16 | 0 | ||
| June | 100.000 juv.from I to II | 8 | 8 | 25 | 2 |
| 100.000 juv. diluted in I | 16 | 0 | 25 | 2 | |
| August | Harvesting 16.500 fish | 23 | 4 | ||
| September | Harvesting 32.000 fish | 19 | 8 | ||
| October | Harvesting 40.000 fish | 14 | 13 | ||
| November | Harvesting 40.000 fish | 9 | 18 | ||
| December | Harvesting 40.000 fish | 5 | 22 | ||
TABLE 4: Water Distribution - Summary of Requirements
| Supply | Estimate Flow | System | Approximate Dimension | Notes | ||
| Phase I | Phase II | Phase I | Phase II | |||
| Main seawater 1 | 50 m3/min | 90 m3/min | Pressure pipe PVC/Abs. | 2 × 750 mm | 4 × 750 mm | Spare pipe in Phase II allows routine cleaning |
| Distributor Bo× 1 | 50 m3 /min | 90 m3/min | Concrete cast | 3 m × 5 m | May be expanded for Phase II | |
| Main seawater 2 | 50 m3/min | 90 m3 /min | Precast or reinfed concrete channel | 0.8 m × 0.8m | 1.5 m × 0.9 m | May double Phase I |
| Distributor box 2 | 50 m3 /min | 90 m3 /min | Cast concrete | 3 m × 2 m | 3 m × 2 m | Splits flow to raceways |
| Phase 1 raceways | 45 m3 /min | 45 m3 /min | Precast or reinfed concrete channel | 0.7 m × 0.8 m | 0.7 m × 0.8 m | Valves to individual raceways |
| Phase 2 raceways/fingerlings | 10 m3/min | 50 m3/min | Precast or reinfed concrete channel | 0.9 × 0.8 m | 0.9 × 0.8 m | Supplies both sections |
| Phase 2 raceways | - | 45 m3/min | Precast or reinfed concrete channel | - | 0.7 m × 0.8 m | Supplies ongrowing section only |
| Hatchery | 1 m3/min | 2 m3 /min | PVC/Abs pipe | 2 × 200 mm | 3 × 200 mm | Spare pipe for cleaning |
| Drainage | ||||||
| Main drain | 80 m3/min | 140 m32 /min | Earth/rock channel | 2 m × 0.8 m | 3 m × 0.8 m | Phase I flow to pond |
| Raceway drains | 80 m3/m | 80 m3/m | Concrete block/cast | 2 m × 0.6 m | 2 m × 0.6 m | |
| Finger Ling raceway drains | 40 m3/min | 20 m3/min | Concrete block/cast plus culverts | 0.5 m × 0.5 | 1 m × 0.5 m | |
| (300 mm pipes) | ||||||
| Hatchery | 3 m3/min | 6 m3/min | PVC drain pipe | 3 × 200 mm | 4 × 200 mm | Optional covered channels |
TABLE 5: Dimensions of Pump Systems
| Phase I | Phase II | |||
| Main pumping duty: | Maximum = | 0.83 m3/sec | 1.5 m3/sec | |
| Average = | 0.50 m3/sec | 1.0 m3 /sec | ||
| Total system head (Approx.) | 15 m | 15 m | ||
| Pump power, maximum (average) | 180 kw | 324 kw | ||
| at m = 70% | (108 kw) | (216. kw) | ||
| Pump sizes: Examples of size options | ||||
| a. | with standby in occasional use | 2 × 60 kw | 4 × 60 kw | |
| standby | + 1 × 60 kw | + 2 × 60 kw | ||
| b. | with no standby use | 3 × 60 kw | 6 × 60 kw | |
| standby | + 1 × 60 kw | + 1 × 60 kw | ||
| c. | multiple pump sizes | 1 × 60 kw | 2 × 60 kw | |
| 2 × 40 kw | 3 × 40 kw | |||
| 2 × 20 kw | 4 × 20 kw | |||
| standby | + 1 × 60 kw | +1 × 60 kw | ||
TABLE 6: Summary - Hatchery Recycle System
| Component/operation | Type/construction | Dimension, rating | Notes | |
| Settling units | Concentric tube, PVC or GRP . | 800 mm OD | Attached to each raceway | |
| Biofilter | 1 | Cylindrical, concrete, GRP, etc. | 2 m OD | For all raceways 2.5 m active bed |
| 3.5 m total HT | ||||
| 2 | " " " | 1 m OD | For all tanks | |
| 3.5 m total HT | 2.5 m active bed | |||
| Header tanks - incorporated on top of filter units | ||||
| Pumps | 1 | Seawater centrifugal | 72 m /10 × 10 m | Raceway system |
| 2 | " " | |||
| 2 × 0.5 kw | ||||
| UV System | 1 | Inclined plate or tube | 72 m3/hr | Raceways |
| 2 | " " | 12 m3/hr | Tanks | |
| Heating | 1 | Space or immersor | 30 kw | Raceways |
| 2 | " " | 10 kw | Tanks | |
| Sector | Specification | Unitary Volume (m3 ) | Number | Dimensions |
| Larval rearing | FG, cylindro-conic | 2 | 12 | Hcyl :1 m, Hcon :0.8 m; 01.5m |
| Phyto-zooplankton | FG, cylindro-conic (rotifers) | 2 | 6 | " " " " " |
| FG, cylindro-conic (artemia) | 1 | 3 | Ø 1,0 m , | |
| FG, cylindric (algae) | 0,4 | 10 | Ø 0,5 m | |
| Weaning-Nursery | FG, raceways | 9 | 8 | L:6 × l 1.5 × h 1.2 m |
| Spawning | A + PVC, circular | 5 | 6 | Ø 2.5 m |
A + PVC: Aluminium support + PVC sheet
TABLE 8: Summary of heating requirements
| Hatchery + Phytozoo (22°C) | Seabream spawning (18°C) - 2 tanks | Occasional needs | Total theoretical kw | |||
| ∆T | Max. flow | ∆T. | ||||
| Oct. | 0 | 57.6 + 25 = 83 m3/day | - | 72 m3/d | 10% of hatchery + phyto-zoo | |
| Nov. | 2 | 83 m3/day | - | " | 8.9 | |
| Dec. | 4 | 57.6 + 50 + 25 = 123 m3/d | 0 | " | 26.3 | |
| Jan. | 6 | 57.6 + 100 + 25 = 180 m /d | 2 | " | 64.7 | |
| Feb. | 8 | 60 + 170 + 25 = 255 m3/d | 4 | " | 123.1 | |
| Mar. | 5 | 60 + 170 + 25 = 255 m3/d | 1 | " | 71.7 | |
| Apr. | 3 | 60 + 170 = 230 m3/d | - | - | 36.8 | |
| May | 0 | - | - | |||
| Component | Type/specification | Dimensions, rating | Notes |
| Air blower | Centrifugal/ continuous, electric | 200 m /hn at 0.25 bar 5 kw | 2 × 2.5 kw, plus1 backup |
| Main distribution | PVC/ABs Pipe | 75 – 100 mm | |
| Large offtakes | 10 – 25 mm | ||
| Small offtakes | Polythene | 4 – 6 mm | Aauarium tube |
| Air dispersion | Ceramic, etc., Porous pipe | Various | Aquarium or gas Transfer diffusers |
TABLE 10: Approximate power requirements
| Component/section | Approximate rating | Notes |
| Main pumps | 180 kw | Starter current several times this note also power factor |
| (~400 a × 440 v.) | ||
| Heating systems | 40 kw | Assume some space heating |
| ~180 a × 220 v | ||
| Hatchery, general use | ~100 a | Pumps, lights, power |
| Office/services use | ~150 a | Power, light, power tools |
| External | ~100 a | 12 v supply, external lights |
TABLE 11: Other Services and Equipment
| Component/Area | Specifications/Duty | Notes |
| A. | ||
| Cooling/refrigeration | Airconditioning | |
| - 4 units at 2 000 W System cooling | Office, algal culture, lab. | |
| - 2 units at 1 000 w Fridge/deepfreeze | Hatchery, (optional) Storing foodstuffs, chemicals | |
| - 3 units Ice machine 500 kg/day | When production starts | |
| B. | ||
| Aquaculture equipment | Feeders, nets, buckets, brushes, boxes, protective clothing, weighscales, etc. | Details in Appendices |
| Hatchery equipment | Glassware, buckets, scales, water treatment | " " " |
| Laboratory equipment | Oven, microscope, balance, glassware, chemicals, etc. | " " " |
| (A) Site services | Freshwater supply | To office, hatchery, from mains service or via tanker Septic tank, culdrination, pumped to main site drain |
| ~2 m3 /day | ||
| Sewage/drainage | ||
| ~2 m3 /day | ||
| (B) Service equipment | Vehicles Pick-up truck, cars, tractor/trainer transport tank |
OUTLINE CAPITAL COSTS (In Libyan Dinars)
| Phase 1 | Phase 1 & 2. | ||
| (1) | Site preparation, access, allow | 15.000 | 20.000 |
| (2) | Office/services building | 54.000 | 90.000 |
| (3) | Hatchery building | 94.500 | 94.500 |
| (4) | Pumps, pump station | 41.000 | 41.000 |
| (5) | Water supply & drainage | 31.800 | 56.600 |
| (6) | Hatchery.systems | 39.400 | 42.400 |
| (7) | Finger ling raceways . | 10.800 | 21.600 |
| (8) | Ongrowing raceways | 129.600 | 273.600 |
| (9) | Aquaculture equipment | 7.500 | 15.000 |
| (10) | Hatchery + Laboratory equipment | 10.000 | 15.000 |
| (11) | Main services | 45.000 | 55.000 |
| (12) | Vehicles + Misc. Equipment | 20.000 | 26.000 |
| (13) | Contigencies 10% | 49,860 | 77.520 |
| Total | 548.460 | 852.720 | |
| OPERATIONS COST (In Libyan Dinars) | |||
| Phase 1 | Phase 2 | ||
| (1) | Labour | (25.000) | (37.500) |
| (2) | Management | (25.000) | (32.500) |
| (3) | Food | 41,250 | 82.500 |
| (4) | Power and fuel | 43.000 | 86.000 |
| (5) | Maintenance | (.5.500) | (8.500) |
| (6) | Consumables - Stock costs . | 14, 500 | 22.500 |
| (7) | Miscellaneous, contigencies | (15,400) | 26,950 |
| Total | 169,650 | 296,450 | |
| COSTS OF CAPITAL | |||
| (8) | Depreciation of fixed capital | 32.000 | 50.000 |
| (9) | Costs of fixed capital | 39.500 | 61.400 |
| (10) | Costs of working capital | 10.200 | 17.800 |
| Total | 251.350 | 425.650 | |
| REVENUE FROM SALES, @ 5LD/kg | 250.000 | 500.000 | |
TABLE 13: Summary of Staff Development
| Staff | Action | Timing | Notes |
| Project Manager | Study visits, coordinate technician training | End 1986 | Additional visits |
| mid 1987 | probably later | ||
| Liaison with foreign specialists during design and early production | through '87 | To be defined in detail | |
| Possible longer-term academic training | To be agreed | PhD level | |
| Management and specialist trainees | Technical training; | 1987 | Initial stage of development |
| overseas/on site | 1988 | ||
| Advanced training, | 1988 | Selected staff for national resource development | |
| MSc, PhD Level | onwards | ||
| Technicians | Technical training | 1987 | At least four (4) in training in initial stages |
| overseas/on site | 1988 | ||
| General labour | On-site training | 1987 | |
| during production | 1988 | ||
| Additional training in support areas (mechanical, electrical, refrigeration, engineering, building, etc.), may also be needed | |||
SUMMARY OF SUGGESTED AQUACULTURE SPECIALISTS INTERVENTIONS
| 1. | Detailed design and specifications for construction |
| Time: December 1986 – March 1987 | |
| Man-months needed : 4 | |
| Some eventual extra time could be required for specialist equipment identification and procurement and for sub-contracted specialist design (electric-heating plants) | |
| 2. | Supervision of construction operations |
| Time: During construction (approx. 6 months, from Feb to Oct. 1987) | |
| Man-months needed: 8 visits of 3–4 days | |
| 3. | Assistance to start-up and staff training |
| Time: Oct. 87 to summer 1988 | |
| Total Man-months needed : 16 | |
SUMMARY OF SPECIFIC ACTIONS FOR INITIAL IMPLEMENTATION
| Actions | Responsibility |
| - Approval of project and project budget | UNDP/Govt. Zawia |
| - Contract negotiations and agreements with main contractors | UNDP/Govt. Zawia |
| - Confirmation of external aquaculture specialists, their terms of reference and timing | UNDP/Govt, Zawia |
| - Obtain any other Local hydrographic data on sea conditions, inshore currents, sea patterns | UNDP/Govt. Zawia |
| - Identification and appointment of local staff | UNDP/Govt. Zawia |
| - Detailed designs and specifications in the following order of priority: | Nominated aquaculture Experts. |
Pumping station, water distribution, Office/ services building, fingerling raceways, hatchery and associated services, main ongrowing raceways | |
| - Fry supply and transfer arrangements for project start-up | " " |
| - Practical training arrangement in mediteranean farms | " " |