Previous Page Table of Contents Next Page


2. FARM MANAGEMENT AND FARM TYPES


2.1 FARM MANAGEMENT
2.2 FARM TYPES AND STRUCTURE
2.3 REFERENCES


'He that by the plow would thrive
Himself must either hold or drive.'

Benjamin Franklin, 1706-1790

This chapter introduces the discipline of farm management as it applies to the main structural types of Asian farms, particularly small family farms (Types 1 and 2 of Section 2.2.1).

2.1 FARM MANAGEMENT


2.1.1 Scope
2.1.2 Definition
2.1.3 Optimization
2.1.4 Objectives
2.1.5 Economics as the framework for farm-system analysis
2.1.6 Alternative bases for farm-system analysis
2.1.7 Farm management fields
2.1.8 Farm management modes


2.1.1 Scope

To a layman 'farm management' probably means just that - a body of activities and procedures carried out by a farmer in the ongoing management of his or her farm and for which advice may be available from professional specialists in farm management.1 To an extent this is correct (as per farm management in Field A of Section 2.1.7) but, more broadly, farm management as considered here is a professional discipline which relates to the description, construction, analysis and evaluation of farm systems of Order Level 10 (Figure 1.2). In this wider sense, farm management is the discipline within whose ambit farm-level systems analysis most clearly falls. (This does not exclude from farm systems analysis other disciplines of a technical or special-purpose nature.) Farm management system analysis can have several operating objectives (Section 2.1.4); there are several alternative bases (Section 2.1.6) on which analysis can proceed; and it can operate in four fields (Section 2.1.7) and in four modes (Section 2.1.8) within these fields. These several aspects of farm management as a systems-related discipline are now briefly discussed in turn.

1 Farm management as carried out by farmers has been defined (Dillon 1980, p. 258) as 'the process by which resources and situations are manipulated by the farm manager in trying, with less than full information, to achieve his [or her] goals'. See also Makeham and Malcolm (1986, Ch. 2) and Upton (1973, Ch. 1). The appendix to this text gives the authors' perspective on farm management as it relates to management per se and to farm systems theory.

2.1.2 Definition

Except when it serves a descriptive purpose, farm management is the science (and art) of optimizing the use of resources in the farm component of farm-households, i.e., in systems of Order Level 10 (see Figure 1.2), and of achieving the optimal functioning of these systems in relation to household-specified objectives; and since Order Level 10 systems consist structurally of subsystems, farm management is also concerned with the operation of subservient subsystems of Order Levels 1 to 9 in such fashion as to optimize the whole-farm system. However, for reasons discussed in Chapter 1, it is often essential, especially when dealing with small farms, that farm management extends also to the family or household component, thus its true scope extends to Order Level 12 systems. A second consideration is that the village is sometimes a more relevant unit for analysis than the farm, and where this is so the scope of 'farm' management extends to systems of Order Levels 1 to 13 as discussed in Section 1.3.2.

2.1.3 Optimization

Optimization of the planning objective is defined as achieving the farm household's goals as efficiently as possible in the face of whatever constraints of a physical, environmental, legal or socio-cultural nature may be relevant. This implies obtaining maximum possible net benefit over time from the operation of the farm system. Net benefit is measured, as appropriate, in terms of output or profit or, more broadly, as satisfaction or utility. Maximization of net benefit implies efficient use of available resources and opportunities. For the achievement of a given level of net benefit, it implies the minimization of costs. This reflects a theoretical view. In the real world, as discussed in Chapter 6, the general objective is often constrained by household and social factors other than availability of physical inputs and their costs. Thus many small-farm households place a high value on the long-term sustainability of their farm system. Also, in the real world, uncertainty will generally prevail about yields, prices and other relevant influences so that the farmer's choice will lie not between sure alternatives but between alternative (subjective) probability distributions of net benefits. This aspect is considered in Chapter 11.

Optimization can occur at two levels: local or global. When operating in Field A (on-farm problem solving - see Section 2.1.7 below), farm management will seek optimization at the global level of the Order Level 12 farm-household system. This sets it apart from other farm-related agricultural sciences which are usually (though not always) concerned primarily with optimization of lower order subsystems, i.e., local optimization. Two examples will clarify this point. First, a farm might involve only two irrigated crops, cotton and sugarcane. If only the cotton is considered, the local optimum might be to use all of the water supply on cotton, but if the farm as a whole is considered, i.e., a global optimum sought, this might well require that the water be shared between both crops. Second, a farm-household system itself might be only a subsystem within some larger system. For example, the optimal irrigation water supply to a farm might, from the viewpoint of the farm, be 1 000 m3, but if such water is to be provided only as a minor by-product by a large multipurpose dam project (the chief purposes of which are power generation and flood control), these purposes will determine what discharge rate/farm supply is optimal from an overall project or global viewpoint and this would override whatever supply rate might be optimal from a farm perspective.

2.1.4 Objectives

Optimization of farm-household systems takes the form of conditional maximization over time of the socioeconomic welfare of farm families. The term 'welfare' is used broadly to include money income, sustenance food, farm-produced consumption goods and factors of production, non-material benefits such as those enabling the attainment of education and health standards, and satisfactions derived from work well done as well as from cultural and religious sources. Whichever of these system outputs/family benefits are relevant in a particular farm situation will depend on the farm type and on the values held by the particular family - values which will normally reflect the society and cultural context in which the farm-household exists. Welfare maximization is conditional because it is constrained by resource availability and, as relevant, legal constraints and socio-cultural mores.

Typically the farm plays only an enabling role towards achieving broad family goals. Thus farm management is concerned with conditional optimization of only part of a farm-household system - but usually the most important material part. The specific objective might be to maximize money profit or, recognizing the presence of uncertainty, to maximize the expected utility (Chapter 11) of risky profit (farms of Type 4, 5 and 6 and possibly Type 3 as defined in Section 2.2.1), or such money profit might be only incidental to other objectives (Type 2 farms), or hardly relevant at all (Type 1 farms). Goals and objectives are discussed in Chapter 6.

2.1.5 Economics as the framework for farm-system analysis

Economics or economic analysis is the science of making choices so as to best achieve desired objectives given that only limited (physical and other) resources and opportunities are available and that the future is uncertain. There are no choices to which the science of economics cannot be applied. It is just as pertinent, e.g., to the choice of a spouse as to the choice of which crops to grow or to the choice between using an insecticide or using environmentally friendly integrated pest management. In contrast to this wide applicability of economic analysis, financial analysis is restricted to matters that are naturally of a financial or monetary nature. Financial analysis is thus a subset of economic analysis and, in circumstances where everything is valued in money terms, may be the natural way in which to conduct economic analysis. In other cases, it may be feasible to facilitate economic analysis of possible choices by imputing money values to possible gains and losses. And in yet other cases, such as assessing the resource sustainability and environmental compatibility of alternative farm systems, it may often be infeasible to impute money values to the gains and losses of alternative choices. Decisions must then be made using economic analysis based on non-money values, intuition and judgement.

Farm management economics (i.e., economic analysis applied to the choices confronting farmers) provides the general disciplinary basis for farm-level systems analysis (Dillon and Hardaker 1993, pp. 22-30; Upton 1973, Ch. 1). Obviously other farm and family-related disciplines will be involved in systems' construction: agronomy, animal husbandry, soil and water conservation/management, human nutrition etc. However, except in the case of special-purpose technical systems (e.g., when the farm-household unit is analysed in terms of nutritional or energy flows among components as discussed below), these other disciplines should play subordinate contributing roles coordinated by farm management economics as the lead discipline. That in fact this often does not happen and the lead is taken instead by workers in other disciplines is really not important. It might just reflect the fact that many agriculturists are aware of the necessity for a systems approach if application of their expertise is to be effective; or that many agricultural economists are content in the more modest role of economics apparachnik.

Nevertheless, the disciplinary basis of farm management remains economics - but economics of a special wide-ranging kind, the core of which is production economics supported by other branches of economics of which marketing, resource economics, agricultural credit and data analysis (including operations research, econometrics and risk analysis) are probably the most important. When working with the household component, especially of small traditional farms, the most important supporting disciplines are sociology and social anthropology.

2.1.6 Alternative bases for farm-system analysis

There are several reasons why farm economics provides a good conceptual framework for most farm-household systems analysis. The most important of these is the necessity to bring the many relationships of a system and between systems to some common unit or basis of comparison. Unless this is done, systems analysis and the comparison of alternatives will not be possible. The base usually most convenient - and in the case of commercial farm systems most relevant and which has the highest degree of universality - is money or financial value. But several other bases for systems analysis are possible and in certain circumstances they might well be more relevant than money value. The four most important bases of comparison are as follows:

(a) Money value: The convenience of using money or financial values as the basis of commercial farm systems analysis will be obvious: it permits the various system inputs (e.g., seed, fertilizer, power, labour etc.) to be standardized as money costs and the various system outputs to be standardized as money returns so that net revenue, i.e., money returns minus money costs, can be used as the basis of comparison between alternatives. In commercial farming, all or most of these inputs/costs and outputs/revenues can be stated in explicit quantitative terms. On the other hand, when dealing with less commercialized systems where there are no actual price-setting markets for farm inputs and/or outputs, one is often obliged to base the analysis on imputed values. However, this is possible only up to a point; beyond this point, as one moves further from a commercial environment towards a traditional one (as discussed in Chapter 6), the attempted use of money value as the basis or numéraire for analysis becomes too abstract to be useful and one has to search for some other base (Dillon and Hardaker 1993, pp. 28-30).

(b) Family labour effort: Probably the best alternative to money value on small family farms of a subsistence or semi-subsistence nature is labour input, both as a measure of inputs and as a yardstick to judge the worth of outputs. At least this is so in the eyes of the majority of Asian (and African) small-farm families for two reasons. First, on these farms most production activities involve few if any commercial inputs and most outputs are also not disposed of through commercial channels. Money hardly enters into the matter at all. What such activities do have as their common factor is family labour - often very hard labour - from hand-preparation of fields, to carrying all inputs/outputs perhaps long distances, to hand-pounding the harvested grain. Not unnaturally then, these families plan, compare and evaluate their several different farming activities and alternatives (i.e., analyse their systems) in terms of labour content. To conduct such analysis on any other basis such as money value would be an incomprehensible abstraction. However, 'labour' is not a simple quantity. It can have several dimensions: quantity when labour is measured in terms of standardized units (e.g., labour-days or task-days on estates); quality where the relevant factor is the actual effort required or the degree of skill or unpleasantness associated with separate tasks; and agency where the labour measurement reflects the social position or status of the person performing the task. Thus, in different societies, patriarchal or matriarchal, women's labour will be valued less or more highly than the labour of men regardless of the actual effort expended, while the labour performed by children might also be valued according to their (usually inferior) social status rather than to the actual work they perform. These dimensions of labour and the implied difficulties of measurement often limit the use of this factor as an alternative to money value. Nevertheless labour often provides a more relevant basis for systems analysis of a very large number of small traditional farms than does money.

(c) Bio-mechanical energy: A factor which all farm-household systems and their subsystems have in common is their explicit or implicit energy content (including labour, above). Farm-system models have sometimes been structured on the basis of such energy content and inter-component energy flows - see, e.g., Axinn and Axinn (1983). Use of energy-based farm systems analysis rests on the view that, in a world of declining energy resources and materials that can be represented by their energy content, the energy generation and consumption of farm-household systems is a more valid basis for systems analysis than is money profit, and usually also that energy flows which are directly or indirectly involved in all economic activities (including agriculture) are not properly represented - indeed they are often severely distorted - by commercial pricing mechanisms. However, these views involve issues and require solutions at much higher than farm level. Farm systems analysis based on energy flow is more appropriate for some aspects of macro/industry/sector strategic planning than for farm-level operational planning where the immediate interest of farm families is in income (in whatever form it takes) and the effort required to achieve it.

(d) Water consumption: A fourth possible basis for analysis of farm systems is offered by water with systems analysis conducted in terms of the relative water consumption of different crops and animal populations and the implicit water content of products and by-products. Water is obviously the critical common factor in all the farming systems of that great belt of lands stretching from North Africa to India, so much so that even the very wealthy Gulf States, while they have been able to import or create all other agricultural resources, including soils, micro-environments and farmers, remain constrained by water. Moreover, in the 'wet' tropics, the critical nature of this input common to all parts of all farming systems is not yet widely recognized; e.g., even 'well-watered' Java will probably exhaust its water supplies before its soils. However, as important as water is, like bio-mechanical energy it is more appropriate as a basis for some aspects of macro-level systems analysis than for operational-oriented systems analysis at farm level.

In summary, except when used in connection with special-purpose systems, such bases of analysis as energy, water, ecological balance etc. lack the universality and the value orientation required of a general systems base. Money value and labour will probably continue to be used as such a base, either separately in the case of commercial and near-subsistence farms respectively, or jointly in the case of the bulk of small traditional partly commercialized farms.

2.1.7 Farm management fields

Farm management analysis and advisory activities can be categorized in terms of four fields defined in terms of the purpose of the analysis as follows:

Field A consists of those problems and analyses which are only or primarily of direct interest to the farmer subjects of the analysis and where solutions to problems are offered on the basis of their beneficial effect on the welfare of these farmers and their families. The great bulk of farm management systems analysis occurs within this field. Field A is the conventional area in which farm management operates, directed to solving the on-farm problems of individuals and groups. Except where otherwise noted, this book is concerned with farm management within Field A; it needs no further discussion at this point except to note that such analysis should, whenever possible, involve farmer participation so as to ensure that the farmer's felt needs are considered (Ashby and Sperling 1995; Chambers 1983; Chambers and Ghildyal 1985; Matlon et al. 1984; Mikkelsen 1995; Rhoades and Booth 1982; Tripp 1991; Werner 1993).

Field B consists of those problems and analyses which should not really fall within Field A (i.e., they do not properly constitute farm-level problems) but which for convenience or purposes of analysis can be defined, regarded and treated as if they do. Examples of the scope of Field B farm management analysis are offered by the agricultural industries and sectors of some of the mini-states. For example, the agricultural sector of the island nation Kiribati is equivalent to not much more than a single good-sized coconut estate with a few supplementary enterprises added. This sector (a system of Order Level 16) could easily and probably most effectively be analysed, of course with the necessary modifications, as if it were a system of Order Level 10 or 12. An example at industry level is offered by the banana industry of Western Samoa which, although it consists of a large number of individual farms, has been centralized (through the government) in fruit collection/inspection/transport/export and other important aspects. The industry could justifiably be analysed as a single large 'farm system' even though in fact (and in respect of banana-growing activities) it really consists of many farm-household systems.

Obviously, since this type of higher-than-farm-level analysis will be concerned with a range of subject matter in addition to farm economics - processing, marketing, transport, research, extension etc. - farm management can operate successfully in Field B only if the analyst can ignore artificial divisions which are conventionally imposed between the various disciplines. Another condition is that the analysis could not be better performed by a systems analyst working within the conceptual framework of some other discipline. (If this is the case then farm management analysis would operate in a subservient role in Field C.)

Field C consists of problems or issues arising within or in relation to higher systems of Order Levels 13 to 16, towards the resolution of which farm management plays only a secondary contributing or partial role, e.g., the lead discipline might be water resource engineering if the problem is planning of a public irrigation project, or agronomy if it consists of planning for the introduction of new crops, or agricultural credit if it is to plan the establishment of a farmers' bank. In this type of supporting role, farm management can operate in any or successively all of Modes 2, 3 and 4, i.e., description, diagnosis and prescription, respectively, as defined in Section 2.1.8 below. However, any 'prescription' that is offered will be of a limited kind and fall short of being a plan for the overall project or program. Analysis will be directed towards the achievement of some global optimum which is not defined in terms of farm management itself. A few of the very large number of situations in which farm management operates in Field C are:

(i) Descriptive studies of farm-household systems to provide background for local or multi/bilateral investment programs in agriculture and/or agricultural infrastructure (e.g., the Country Background Reports of the World Bank). This type of analysis is in Mode 2 (Section 2.1.8 below).

(ii) Diagnostic studies of farm-households to determine just what developmental or investment assistance is needed (e.g., roads, health, transport, extension, credit etc.), and the priority ordering of specific projects to provide such assistance (Mode 3).

(iii) Prescriptive analysis (i.e., Mode 4) aimed at providing the farm-related part of some uni- or multi-purpose project or plan: e.g., farm-level demand schedules for irrigation water in a multi-purpose water storage project (where irrigation is only one planned activity in addition to power generation, flood control, fish production etc.); scheduling of produce supply as part of a feasibility study for the establishment of a cannery.

Field D consists of farm management in the role of generating data for the guidance or support of agricultural policy making. Provision of such data might not require special studies or systems analysis for this particular purpose; often such data will be an incidental output of analysis undertaken for some other purpose, e.g., in Field A. Field D analysis is also of a supportive kind and operates in Modes 2 and 3 (quantitative description and diagnosis as outlined in Section 2.1.8 below). The aim is usually to generate knowledge about farm-households or their component subsystems which is to be used by governments, public agencies etc. as a basis for structuring agricultural or broader economic policies - setting farm-input prices or consumer food prices, establishing transport services or credit programs etc. (Dixon et al. 1994; Upton and Dixon 1994). These policies might imply either enhancing farmer welfare or reducing it (e.g., if their thrust is to minimize urban living costs). This is a very important and wide-ranging field: it is difficult to think of any policy which is to affect farmers which should not be based at least in part on farm-level analysis, despite the fact that such farm-level analysis is in fact frequently not carried out, much to the detriment of sound policy making.

2.1.8 Farm management modes

Farm management operates in four modes within the above fields.

Mode 1 encompasses routine operational and control activities. It is concerned with the day-to-day operation and management of an actual farm, estate, cooperative or other farm-based producing/marketing entity. This may be thought of as practical or 'muddy-boots' farm management. Management in this mode is largely outside the scope of the present discussion, except that the systems concepts discussed here will, it is hoped, provide principles to guide practical (i.e., Mode 1) management.

Mode 2 refers to descriptive activities whereby farm management provides a conceptual framework for the study, understanding and description of farm systems or farm-related problems. This might be an end in itself; or more likely it will be a necessary stage in the logical-event sequence towards action, as suggested in Figure 2.1. The chief function of descriptive farm management studies is to provide a basis of understanding before problem diagnosis is attempted. There are still many societies in the world with farm-household systems of which we are in nearly complete ignorance; understanding and description of these systems must precede problem diagnosis and, if need be, prescription of solutions.

Mode 3 refers to diagnostic activities concerned with the identification of problems and weaknesses in farm-level systems of all Order Levels 1 to 10 and those parts of Order Level 11 household systems relating to the farm. Such problem diagnosis includes the identification of potential opportunities. Problem diagnosis is usually carried out as a separate mode, but on some commercial farms it might be built into their routine monitoring and management mechanisms (as also on more sophisticated estates).

Mode 4 refers to prescriptive activities in which farm management is aimed at the prescription of action plans for both (a) the overcoming of problems or weaknesses and (b) the seizing of opportunities uncovered in Mode 3 (diagnostic) analysis.

Thus farm planning, as discussed in Chapters 8, 9, 10 and 11, is a prescriptive (Mode 4) activity based on the descriptive (Mode 2) and diagnostic (Mode 3) activity of farm evaluation as discussed in Chapter 7.

Analytical situations within modes

In Modes 3 and 4, three analytical situations will arise, viz.:

(i) Diagnose and prescribe: First, the problem might require that a diagnostic analysis be made of a system of Order Level from 1 to 10 (or 1 to 12) leading to the identification of some specific weakness or opportunity to be investigated by research on the farm or experiment station - see Norman et al. (1995). If the problem falls within the competence of the investigator, the analysis would at this point go into prescriptive Mode 4 to develop and offer solutions.

(ii) Diagnose and refer: This second situation arises when the diagnosed problem lies beyond the competence of the analyst: e.g., low milk production on a dairy farm might be due to animal disease or a genetic factor or to the household itself (such as a low educational level leading to product adulteration). In such situations the role of the farm analyst is - or should be - to refer the problem to some relevant agency or specialist, i.e., to diagnose but not to prescribe.

(iii) Prescribe only: Often only a prescriptive analysis is called for: e.g., if the problem is to generate land-use plans intended to serve as the agro-economic basis of new settlement projects or transmigration schemes.

FIGURE 2.1 - Relationship between the Four Modes of Farm Management Activity

2.2 FARM TYPES AND STRUCTURE


2.2.1 Farm types
2.2.2 Structure of small-farm systems


To date, farms have most often been classified on the basis of agro-ecological factors (such as climate, soil, slope, altitude and, not unrelated to these factors, the crop and livestock systems used) overlaid, to a lesser extent, with socioeconomic criteria (Fresco and Westphal 1988). Inevitably such an approach leads to a plethora of farm types. A different approach is taken here. Emphasis is on farm-system structure from a farm management and farm-household perspective with classification based on: (1) the main purpose of the farm, (2) its degree of independence and (3) its 'size'. From such a structural viewpoint there are basically six major types of farm system to be found in Asia and elsewhere around the developing world with dozens of subtypes constituting a continuum of farm types between the extremes of a totally subsistence to a totally commercial orientation.

2.2.1 Farm types

The six basic farm types are:

Type 1. Small subsistence-oriented family farms.

Type 2. Small semi-subsistence or part-commercial family farms, usually of one half to two hectares, but area is not a good criterion: the same basic structure can be found on much larger 20- to 30-hectare farms as in the Punjab, Sind, and North West Frontier Provinces of Pakistan.

Type 3. Small independent specialized family farms.

Type 4. Small dependent specialized family farms, often with the family as tenants.

Type 5. Large commercial family farms, usually specialized and operated along modified estate lines.

Type 6. Commercial estates, usually mono-crop and with hired management and absentee ownership.

Each of the six farm types is now discussed in turn.

Type 1: Small subsistence-oriented family farms

There are two main subtypes. First, and of lesser numerical importance, are those based on only one or two crops or livestock types (e.g., on maize or cassava or coconuts; or on yaks or camels). Some farms of this subtype are based more on exploitation or management of a local natural resource - in the extreme case, by use of shifting cultivation or by nomadism - than on deliberate choice of their main farm enterprise (e.g., on indigenous sago palm, palmyrah, coconut or nipah). However, the main group of Asian subsistence-oriented farms is based on a wide range of crops and animal types. This second subtype is of necessity more highly mixed than are Type 2 part-commercial farms. Farms which are completely self-sufficient are rare, but self-sufficiency remains the operating objective and, if forced by circumstances, farms of this type could exist in isolation from the outside world. The structure of a Type 1 farm is exemplified in Figure 2.5 below. The focus for evaluation and analysis of Type 1 farms is the household rather than the farm component of the system. However, Type 1 farms have most of the characteristics of Type 2 farms and these are discussed below in relation to this latter type.

Type 2: Small semi-subsistence or part-commercial family farms

This type is predominant throughout South and South East Asia in terms of the number of such units, the large number of people supported by them and the total volume of their production - especially of basic foodstuffs.

Operating objective: The general operating objective of this farm type is family sustenance, pursued first by production of foodstuffs for consumption and of produce/materials for use on the farm, and second by generation of some cash income for the purchase of (a) non-farm produced food essentials (salt, tea etc.); (b) other essentials such as clothing, medicines, transistor radio, batteries etc.; and (c) some farm inputs (such as agricides and fertilizer). Such cash is obtained primarily by sale of commodities which are surplus to family requirements, and secondarily - where this is possible - by production and sale of some cash crop raised specifically for this purpose. The comparative operating objectives of this and other farm types are discussed in Chapter 6.

Production activities: Type 2 farms can be further classified according to geographical occurrence (e.g., wet tropics; sub-tropics of India/Pakistan; temperate zone of North India, Nepal, Bhutan), and by whether these farms are dryland (as most are) or part irrigated. However, they are all basically similar in their crop activities which consist essentially of one or more staple food crops plus a leguminous protein source plus an oil crop (see Section 9.6.3). Some examples of geographically typical crop mixes are:

Himalayan hills:

barley or buckwheat; beans or peas; mustard.

sub-tropics:

wheat; soybeans; sesame.

wet tropics:

cassava or rice; groundnuts; coconut or sesame.

In general, land is cropped to its maximum intensity, but the number of crop species grown in each of the energy/protein/oil crop subgroups, as well as the area of each, is limited by length of growing season (dependent upon temperature), rainfall occurrence and/or irrigation water supply.

Livestock, whether fish, poultry or larger animals, are typically important on Type 2 farms. They are closely integrated with the crop activities, and here - unlike the situation on farms in developed countries - they are kept for a range of purposes: direct production, draught power (except on the smallest farms), transport, manure production to sustain field and pond fertility levels, and as a store of wealth. The combination of livestock with crops results in a large number of activities, and an even larger number of different farm products.

A special subtype of this highly-mixed farm type consists of the forest-garden farms of the wet tropics as found in Kerala, Sri Lanka, Malaysia and Indonesia. These consist of both whole farms, e.g., the forest-garden farms of Kandy in Sri Lanka - see McConnell (1992) - or the house-yard parts of farms forested with a more or less dense mix of economic species as in the Pekarangan lands of Java. Except for poultry, livestock are relatively unimportant on this subtype.

Farm system boundaries: Discussion of system boundaries in Chapter 3 mainly relates to farms of this type. Briefly, boundaries of Type 2 farm systems (and of Types 1, 3 and 4) segregate them distinctly from the external world, but the boundaries between individual farms are relatively weak. In contrast with farms in developed countries, they often have much stronger links to and interdependence with other farms in the local community than they do with the outside world, i.e., with commercial input suppliers and markets for their outputs. Through such practices as exchange of labour and animal services among farms, group farming, community work ('gotong royong' in Indonesia) to develop irrigation channels, village roads etc., barter of food grains for animal products, and village-level savings' mobilization ('arisan' in Indonesia), each farm-household unit is a link in an often highly developed agro-socioeconomic network within the local community. Whatever the basis for such informal integration - culture, religion, isolation - its effect is to provide strong structural boundaries around groups of farms, hamlets and villages rather than around individual farms. Each Type 2 farm is very much a part of the community and often could not function effectively if divorced from it. It might well be said that 'No such farm is an Island, entire unto itself.'

Activity and product diversity: Diversity, or the degree to which farm income (however measured) is derived from a range of activities and products rather than from a single source, is discussed in Section 6.2.4. Type 2 farms are typically the most diverse of all farms. Diversity has three elements: the number of crop/livestock activities present; the number of products obtained from those activities; and the number of ways in which each product can be used or disposed of.

The mixed farms of the Punjab commonly consist of four to six crop activities and three to six livestock activities; those of Bhutan somewhat fewer. In Sri Lanka the forest-garden farms commonly grow up to 16 or so tree and vine species producing 20 to 30 different products; and since each can be disposed of in up to four different ways (sold/bartered, consumed, processed, stored), such a system will possibly generate some 60 or so end products. This contrasts sharply with the situation on farms of Type 6, the estates producing a single product (tea, rubber etc.) with a single end use (sale).

Even a common field crop such as maize may be managed so as to yield four or five primary products (green pick, dry grain, fodder leaves and stalks, fuel, live stripped stalks as supports for a companion bean crop), and two or three subsequent processed products (maize cakes - an important kitchen industry in parts of Bhutan, alcohol etc.).

Diversification of Type 1 and 2 farms has several bases. Broadly it follows from their sustenance orientation. In remote tracts of Nepal and Bhutan it is a necessity. In the Punjab it results largely from the possibility of growing a wide range of summer and winter crops and combining these with livestock. On the closely integrated vegetable-poultry-pig-fish farms of West Malaysia and Sarawak it results from a business-like approach to profit maximization. On the forest-garden farms of Kandy in Sri Lanka it results partly from historical circumstance (the wide botanical base provided by Indian, Arab, Portuguese, Dutch and British immigrants and colonizers) and partly from a tendency of the Kandyans to plant a tree/vine/shrub in any vacant space. (If they did not, the space would soon be filled anyway through natural seed fall and germination.)

Sources and uses of farm resources: An important characteristic of Type 2 farms (and of farms of Type 1) is the high proportion of farm and household resources generated on the farm and, correspondingly, the low level of dependence on purchased inputs. Further, where purchased resources are used, it is common practice to restrict their use to cash crops (cotton, sugarcane, tobacco etc.) with non-cash crops receiving no purchased inputs or being grown on the residual fertilizer (and often soil tilth and soil moisture) from some previous commercial crop. Those farms which do use purchased inputs often operate at dual levels of technology - 'advanced' for some main crop, 'traditional' for the rest. Farm-generated resources including food supply (as distinct from purchased resources) are obtained in a wide variety of ways as follows:

· By operating separate specific-purpose resource-generating activities. These, as distinct from cash-generating activities, are relatively important on farms of Types 1, 2 and 3. The most common example is livestock kept primarily for manure production (as well as for other purposes). Growing a green manure crop serves a similar purpose. Growing and lopping the leaves from leguminous trees for paddy fertilizer is still common in Java. Such activities need not be elaborate: in Bali and Sri Lanka the most common 'resource-generating' activity is simply growing a clump of bamboo in the house-yard (for construction material, produce containers, fences, water pipes).

· Through simple apportionment of part of a commercial crop for household use as food or livestock feed.

· By carrying on parallel crop activities by growing one variety/type for the market and another for the family's own use. The first, typically a high-yielding improved variety, might be deficient in taste and storability but will generate cash. The second might be capable of long storage and possess other qualities valuable in rural but not in sophisticated urban markets.

· Through extensive use of all by-products: stalks of maize, tobacco, pigeon pea, cotton etc. as household fuel; wheat straw for mud brick making; etc. With some crops - especially tree crops - the 'by-products' may take on such relative importance in the range of their uses as to make unclear just what the 'main' crop is.

· By growing/keeping generally low-yielding but multi-purpose types of crops and livestock rather than high-yielding specific-purpose types. Maize, wheat etc. might be grown nearly as much for green/dry animal fodder as for grain, or - in the case of maize - as a standing trellis for some following climbing crop, e.g., beans or cucumbers. (Thus the not uncommon observation that farmers are 'backward' because they do not adopt 'improved' varieties is often based on ignorance as to the real reasons why the 'old' varieties are grown.)

· Finally, resources are also generated by the multiple use of farm capital. A common example is provided by farm boundary and roadside fences. In the Matale district of Sri Lanka most of the fences consist of kapok trees planted at very close spacing. They also support pepper vines and thus yield four 'products': kapok floss and seed (for oil) and black pepper, as well as field security. Farm fences in the Yogyakarta-Boyolali area of Central Java are used to generate a wider range of resources (or to directly produce a marketable commodity). There are four main types: (a) bamboo-lattice fences, invariably used also as supports for long-beans; (b) napier grass fences consisting of a single row of grass, laced together into an upright position by a strip of bamboo about a metre above ground level which permits the growing top of the fence to be regularly cut for cattle feed; (c) live leguminous trees whose leaves are harvested periodically for cattle feed or seasonally as field green manure; and (d) cassava fences, formed by planting cassava very close (15 to 20 cm) and weaving one or two bamboo strips through the line of cassava stems at about one metre from ground level. The cassava stems are then used also as a bean trellis.

Following is a partial list of the farm and household resources/inputs/capital equipment commonly generated on farms of Types 1 and 2. The list suggests the high level of self-sufficiency that characterizes these farm-system types, especially in isolated areas.

- Labour and power: all labour (except at peak periods, then by labour exchange or mutual help); all ox/buffalo/camel draught power, grain grinding power and transport; ox/buffalo treading power for grain threshing (mainly of paddy).

- Crop inputs: most seed, animal manure (with a chemical fertilizer supplement on some cash crops); lopped high-nitrogen tree leaves for paddy fields (wet tropics); packing materials for market (woven bamboo baskets, teak and plantain leaf wrappers).

- Capital equipment: all ploughs, harrows, rakes and levellers from farm or village timber; all animal harness and repairs; fences (live kapok, areca palm, napier grass, cassava, woven bamboo); sugarcane roller crushers; oil extractors; irrigation water delivery systems (bamboo pipes in parts of Bali and the Madiun Valley of Indonesia).

- Buildings and household: building panels/roofing/flooring (woven bamboo and sago/nipah/coconut leaves); buckets, containers (areca palm spathe and woven bamboo); cordage, twine, ropes; granary containers (woven, wood, packed earth); stoves and jaggery sugar boilers (packed earth); household fuel (crop residues, tree prunings); domestic light (coconut oil, butter lamps).

Type 3: Small independent specialized family farms

The key characteristics of Type 3 farms are (a) their specialization in some particular crop or livestock activity which distinguishes them from the mixed farms of Types 1 and 2; and (b) their management independence which distinguishes them from Type 4 farms.

Type 3 farms fall into three subgroups according to their management orientation/purpose and type of income: (A) commercially-oriented farms, and family sustenance-oriented farms which achieve this objective through either (B) sale of part of their production (which makes them of necessity part-commercial farms) or (C) multiple-use of produce from their single specialized activity and/or barter of some of this produce for necessary commodities/goods which cannot be produced or purchased. In this latter situation such farms are also a subtype of subsistence farms (Type 1), but differ from the main body of near-subsistence farms in that only one main production activity is pursued. A sub-classification of Type 3 farms is shown in Figure 2.2. Some examples of these Type 3 farm subtypes are noted below. Probably the most important are the Subtype B near-continuous paddy farms of the wet tropics.

Subtype A (commercial):

· small farms specializing in poultry, pig, dairy or vegetable production around metropolitan areas.

· orchid and horticulture farms.

· vegetable farms in upland areas throughout Malaysia, North Sumatra and Java.

· smallholder rubber, oil palm or pepper holdings in Malaysia and Indonesia.

· citronella and cinnamon farms in southern Sri Lanka.

Subtype B (part-commercial):

· continuous and near-continuous paddy farms of the monsoon lands.
· upland/dryland maize and cassava farms.
· smallholder coffee or cacao farms.

Subtype C (near-subsistence):

· near-subsistence maize farms of East Bhutan, Nepalese hills and Sarawak.
· cassava-based farms on poor soil in South Java.
· sago farms of South East Asia and New Guinea.
· yak/sheep migratory farms of the high Himalayan valleys.

FIGURE 2.2 - Sub-classification of Type 3 Fanning Systems

The specialization of Type 3 farming systems is based on a wide range of factors as follows:

- Subtype A farms: on commercial/profit opportunity and proximity to urban markets (poultry, pig, dairy and vegetable farms). The development of such profit-oriented peri-urban farm activities is a reflection of economic growth with its demands for intensively produced products with a high income elasticity of demand.

- Subtype B farms: on the presence of specific physical/geographical factors (water and good soils for continuous paddy farms; favourable temperature and rainfall regimes for coffee or cacao farms).

- Subtype C farms: on necessity (cassava on the poor soils of South Java; yaks and sheep in the high valleys of Nepal and Bhutan).

Yet other bases for specialization are historical accident (e.g., smallholder tea in Sri Lanka on lands acquired from previous tea estates); or prior presence of some natural resource (e.g., the sago and nipah farms in the coastal swamps of the Philippines and New Guinea).

Type 4: Small dependent specialized family farms

Structurally, except for their lack of independence, Type 4 farms are quite akin to Type 3 farms and contain the same three (A) commercial (B) part-commercial and (C) near-subsistence subtypes; however, they are sufficiently important to be examined as a separate type. The characteristics which set them apart from farms of Types 1, 2 and 3 are their high degree of activity specialization and the lack of real decision-making power possessed by the farm family. The specialization characteristic may be based on the same factors noted above for Type 3 (independent specialized) farms. The dependence characteristic arises from the fact that on Type 4 farms the family is not free to decide what to produce, nor frequently the conditions under which some obligatory activity is to be carried on. This lack of independence can be due to several factors, viz.:

(a) Terms of tenancy: Tenant farmers are often obliged to produce one or more specific crop or livestock products, as dictated in a landlord-tenant agreement. The tenant-operated vegetable farms of Qatar are an example.

(b) Structural integration: In this situation small family farms are integrated more or less closely as the production arm of some larger farming cum processing system. Small tenant-operated farms supplying sugarcane to a mill or leaf to a tobacco-processing factory are common examples of such vertically integrated farms. Not only is the crop which is to be grown specified, but the conditions of production - timing of planting and harvesting, amounts of fertilizers to be used, spraying programs etc. - are also dictated by the controlling authority.

(c) Debt: Some agro-industrial units (such as milk processing plants) often provide farmers with input factors (such as cattle, feed and technical assistance) in order to achieve a regular or higher quality supply of their needed raw material (e.g., milk). These advances are usually made in the form of a loan at attractive terms, but often the only way farmers can liquidate this loan (and perhaps eventually regain their independence) is to continue to produce the particular commodity - usually under conditions set by and to the relative advantage of the lender.

A second kind of debt, that entered into for consumption rather than production purposes, can also provide the basis for farmer dependence. Thus for generations the small cardamom farmers of the southern Bhutan hills have been indebted to the cardamom traders/money lenders of the towns along the West Bengal border. The only hope these farmers have of liquidating such debt - usually used for food, clothing and household items - is to continue to grow this specialist crop and sell it at whatever terms may be offered by the traders.

(d) Government policy directives: In some countries, farmers' lack of independence in production decision making is the result of government power to issue production directives. In Indonesia, e.g., the Government has the broad power to direct that some percentage of those village lands which lie within the command area of each sugar factory be planted to sugarcane. Typically each hectare of land, owned by individuals of the village, might be under sugar for one year during which time it is farmed by the company as part of a larger estate. It then reverts to its owner for three years during which period he or she will operate it as a complete and independent farm, until it is again taken for sugar. During this three-year period the farmer has all normal decision-making powers (crop selection and how each is grown). During the one-year cane phase, for which the farmer receives payment as a 'landlord', he or she has no decision-making power whatsoever. This system thus involves the alternating of two distinctly different farming systems (as shown diagrammatically in Figure 3.1).

(e) Lack of alternative market outlets: Absence of any real independence in management can also be due to lack of alternative market outlets, especially when the product is too bulky or fragile to be transported far from the farm. For example, most of the small cassava farms of Perak in West Malaysia are located on poor soils which would grow little else except cassava (many are located on tailings or spoil from tin mines). This accounts for their specialization. The second factor, their lack of management independence, is due to the high bulk/low value of their product which must be disposed of to chipping factories in the immediate vicinity. There is little practical possibility of seeking higher prices by transporting the raw cassava further afield. Similar situations face the citronella grass and cinnamon leaf farmers of the Galle-Matara district in southern Sri Lanka. Here again the high bulk/low value of these farm outputs deny the growers any real choice in disposing of their crops to other than the local oil mills under price/quality conditions set by the mills.

Source of farm resources: Farms of Type 4 (and Type 3) are usually not self-sufficient in resource-generation; e.g., the continuous cropping of specialized paddy farms (Subtype B in Figure 2.2) is usually possible only because it is based on some purchased package of 'high technology' inputs - HYV seed, artificial fertilizer and agricides. Dependence on commercial inputs is even greater on farms of Subtype A, e.g., purchased feed and veterinary supplies for specialist poultry and pig farms. However, Subtype C farms might exist with only minimal purchased inputs; e.g., the upland near-subsistence maize farms of Nepal, Bhutan and Sarawak are based on use of retained 'local' seed, no artificial fertilizer and no agricides.

System boundaries: The boundaries of the specialized farms also vary with subtype. Those of the commercially-oriented farms of Subtype A will interface more to the outside world (i.e., to suppliers of inputs and product markets) than to other farms; however, the boundaries of farm-system Subtypes B and C will tend to be stronger around groups of contiguous farms or all the farms of a hamlet or village in much the same way as the communal boundaries of Type 1 and 2 farming systems set these apart from the outside world.

Type 5: Large commercial family farms

Type 5 farms are similar in most respects to estates except that usually the primary beneficiaries are members of an (often extended) family rather than absentee owners or shareholders. They fall into two subtypes. The first consists of mono-crop farms which are at the fringe of the estate sector proper and which are usually dependent on this estate sector for research, availability of new crop varieties and often for processing and marketing facilities. The 10- to 20-hectare coconut farms of Sri Lanka which exist side-by-side with the large (now nationalized) coconut estates are examples.

The second subtype consists of either mono-product or mixed farms which are not part of any estate sector but are organized along commercial lines, e.g., using hired labour, being dependent on purchased rather than farm-produced inputs and, except in the case of tree-crop farms, adjusting the activity or activity mix according to commercial opportunity. The larger cinnamon farms of Galle-Matara and the mixed coconut-dairy farms of Sri Lanka are examples of this subtype. So also are the large 30- to 50-hectare mixed grain-livestock farms of Sind and Punjab.

The operating objective of Type 5 farms is profit or utility maximization through market sales. As a group and in pursuit of that objective, they are the most dynamic of the six farm types discussed here.

Type 6: Commercial estates

Commercial estates are generally mono-crop in nature. They are largely a colonial legacy, first established to provide cheap raw materials (and later some food and beverage products) to the industries of Europe and North America. This role continues except that they now also serve national industrialization. The chief characteristics of this farm type are as follows:

Crops: The main crops on which Type 6 farms were initially based are rubber, sugar, cinchona, cacao, tea, coffee, cinnamon, cloves, nutmeg, coconut and the coarse fibres. Some of the old traditional crops have become uneconomic (sisal and to some extent cinchona); some have become primarily smallholder crops (the spices and coffee); and new estate crops (such as flowers, oil palm and citronella) or improved varieties of old crops have emerged. Recent years have also seen the emergence (usually close to metropolitan areas) of livestock-based estates, particularly for pork and broiler production.

On-estate processing: Primary processing is an integral part of the operation of most estates (e.g., tea manufacture, sheet and crepe rubber production, copra curing). This requires a high level of capital investment which, to be fully utilized, requires a flow-type of operation rather than a batch-type. This has two effects. On the one hand it tends to restrict estate production to those crops which yield a fairly uniform year-round flow of produce (tea, rubber, coconut, cocoa etc.). On the other hand it gives estates certain advantages, e.g., quality control, relative to smallholders producing these same products. Some crops which naturally give an intermittent or irregular product flow are also made amenable to continuous estate-type production by relay-planting or chemical control of growth time-patterns (e.g., sugar, sisal and pineapple).

Size: Estate size is commonly from 200 to 2 000 hectares but area itself is not an important criterion: a 40-hectare orchid estate will generate about as much income and employment as will a 200-hectare tea estate or a 400-hectare coconut estate.

Marketing: Marketing plays a very important role in estate operations. Most estates are jealous of their product reputation or 'mark' and make deliberate attempts at product differentiation. They also maintain close contact with buyers and monitor demand trends. Thus the larger cacao estates of Malaysia might be in daily telex or e-mail contact with buyers in Hamburg and Amsterdam. This contrasts sharply with the situation on smallholder farms growing the same crops: most smallholders have little interest in their product once it leaves the farm gate and, not infrequently, have no knowledge of its use after export.

System beneficiaries and operating objectives: Previously, the primary beneficiaries of estates were usually absentee shareholders who employed professional expatriate management and often also a docile expatriate labour force (as was the case in Malaysia, Sri Lanka, Fiji and Mauritius). Thus, before their nationalization, the estates of Sri Lanka were referred to accurately, if somewhat emotively, as 'islands of privilege and prosperity in a sea of poverty'. With exceptions, this situation has changed markedly; consideration of the interests of secondary beneficiaries now receives far greater attention than formerly and these are more widely defined to include the host government, the estate labour force and their dependants, local communities and councils. Profit remains the main operating objective but this is increasingly tempered by the condition that worker retirement schemes, schools, clinics, roads, village welfare centres etc. be provided at estate cost. In short, increasing proportions of operating profit are being diverted from the primary to the secondary beneficiaries of this system type.

Management: A mono-product estate system is at once more simple and more complex than the systems found on mixed family farms. Since only one product is usually involved, only one production activity exists, and there is no need to allocate resources among five, six, seven or more competing production enterprises, as on a typical mixed family farm. Also, very little if any of an estate's resources have to be generated within the system's boundaries. (On a typical tea estate usually only fuelwood and hydro power might be produced as inputs to tea production, and even the use of these is declining.) Thus, again in contrast with family farms, there are no resource-generating activities to divert attention from the main production task. However, although only one production enterprise subsystem rather than a multiplicity exists, it is carried on at a sophisticated level. Volume production usually means that per unit profit margins are thin; the wrong decision at some critical time, especially with long-term tree crops, can have serious and long-lasting consequences.

Specialization means that the advantages of crop diversification are not available; there is no possibility of making up on the swings what might be lost on the roundabouts. If a Bhutanese farm with one pig suffers an outbreak of swine fever the farmer would probably shrug his shoulders and go off to the paddy field or do something else. If it happened on a 500-sow estate it could spell disaster. Moreover, insofar as most estates are based on one or other of the tree crops, the effects of some sub-optimal decisions (e.g., regarding variety/strain of crop to be planted, spacing, initial fertilizer etc.) might well have long-lasting if not permanent adverse effects, possibly over the 30-year life of a rubber stand, the 65-year life of a coconut stand, or even longer in the case of tea.

While not requiring the allocation of resources among enterprises, planning and management of a mono-product estate system requires the explicit recognition, organization and optimization of a large number of agro-technical processes (as discussed in Chapter 5). An example is given in Figure 2.3 which shows the sequential steps in establishing and operating a tea crop. For each step, several alternatives are possible. If this were only one of several crops to be grown (e.g., as on a mixed smallholding), most of the questions listed in Figure 2.3 would not be asked; each operation would proceed on the basis of village tradition, farmer experience or local lore. But on an estate they have to be explicitly asked and answered if the optimal level of long-term sustainable production and profit is to be achieved.

In the management planning of estates, three kinds of management analysis can be particularly important: (i) evaluation of some single production enterprise (crop or livestock) over a long time period (as presented in Chapter 10); (ii) the optimization of processes because even small marginal reductions in inputs/costs will become important when spread over many hundreds of hectares or thousands of tonnes of produce (Chapters 5 and 8); and (iii) simulation of estate operations as a whole system under uncertainty (Chapter 11).

Having defined the six main farm types and outlined their chief structural characteristics, it is now possible to turn in following chapters to a consideration of the field of farm management analysis as this would be applied to these farm types, especially the small farms, i.e., Types 1 to 4. First, however, two contrasting examples of small-farm systems are presented in the following section.

FIGURE 2.3 - Alternative Processes in producing Tea on an Estate

Sequential operations

Alternative processes for each operation

(1)


Clear land


Method:

labour? elephants? tractor?

Level:

what season? depth? tilth?

(2)


Establish cover crop


Method:

which crop?

Level:

for how long? 15,18 or 24 months?

(3)


Plant tea


Method:

what kind?
seedling or vegetatively propagated?

Level:

what population density? 3-4-5 000 plants/acre?

(4)


Weed


Method:

how? hand? chemical? men? women?

Level:

every 4, 6, 8... weeks?

(5)


Fertilize


Method:

what type(s)?

Level:

what levels of application? frequency? timing

(6)


Pick


Method:

how? machine? hand? male or female?

Level:

frequency? every 25, 30, 35... days?

(7)


Cure/pack


Method:

how? for which of many markets?

Level:

mix grades? in what proportions?

(8)

Etc.



2.2.2 Structure of small-farm systems

A useful way of introducing the discussion of following chapters is to look briefly via examples at the structure of two of the small-farm types, the partly commercialized farms (Type 2) and the near-subsistence farms (Type 1).

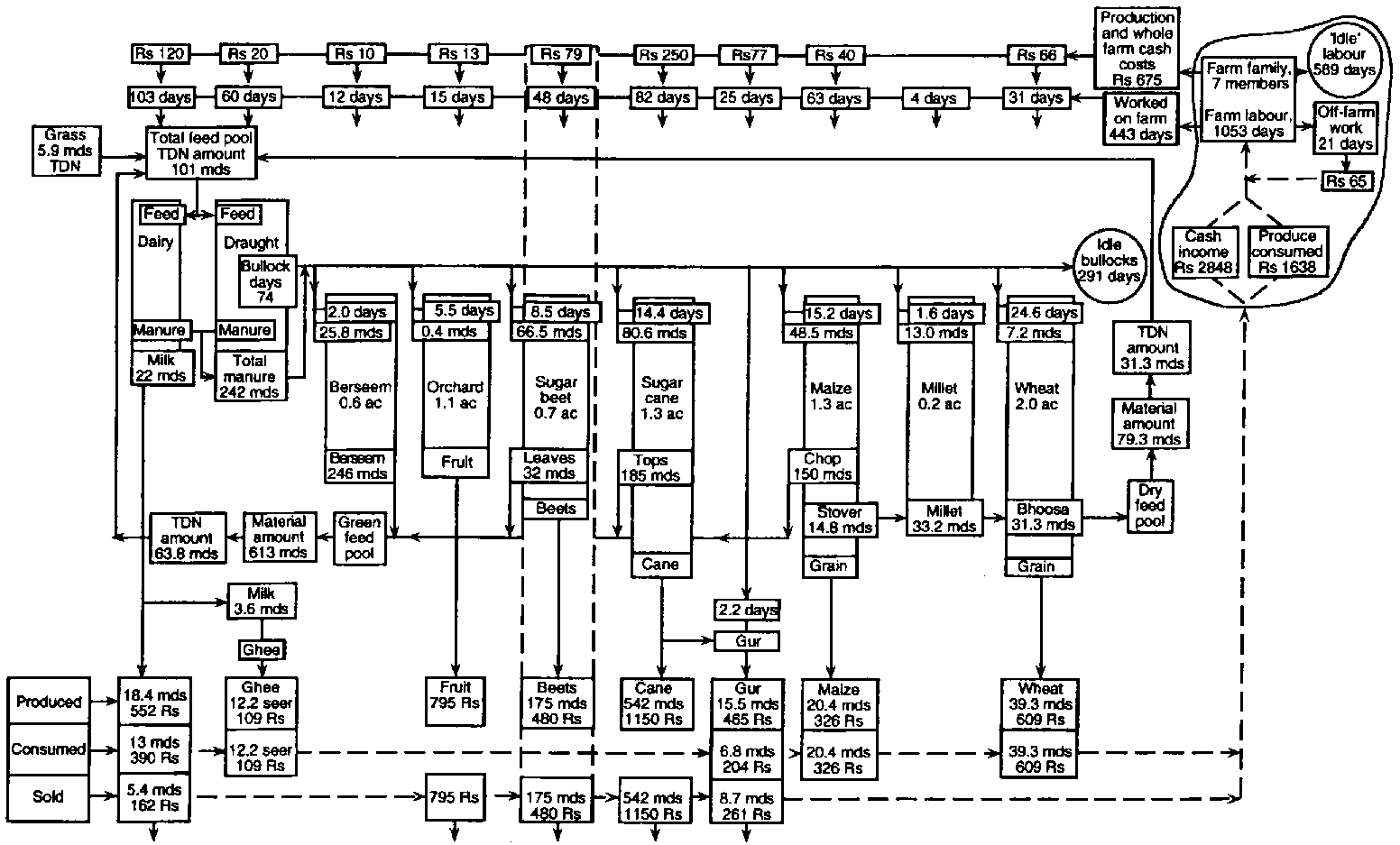
Model of a Type 2 farm

Based on McConnell (1972), Figure 2.4 presents a model of the annual operation of a 'representative' Pathan farm in the Peshawar district of North West Frontier Province, Pakistan (the data are actually means of a group of 11 similar farms). The central core of the farm system consists of two livestock, seven crop and two on-farm processing activities: dairy and draught cattle, berseem (clover), a mixed orchard, sugar beet, sugarcane, maize, millet and wheat. The processing activities consist of converting some of the milk to ghee for sale or consumption (in this particular year it was all consumed), and crushing/boiling some of the sugarcane to make gur (unrefined 'country' sugar), some of which is consumed, some sold. These 11 activities are represented by bar columns in the middle part of Figure 2.4. Input and output values are in rupee (Rs) terms. The levels of the various activities, livestock population and other relevant structural data are summarized below.

Crops

Level

berseem (cattle feed)

0.6 acres

orchard (use + sale)

1.1 acres

sugar beet (sale)

0.7 acres

sugarcane (sale + gur)

1.3 acres

maize (use)

1.3 acres

millet (use)

0.2 acres

wheat (use)

2.0 acres

sugarcane:



produced

542.0 maunds2 plus 15.5 maunds of gur


sold as cane

542.0 maunds

Livestock


bullocks

2.0 head

milk animals:

1.7 head


producing

1.1 head


dry

0.6 head

young stock (dairy + draught)

1.2 head

ox traction available (pair)

365 days


actually used

74 days

milk produced:

22.0 maunds


used/sold as milk

18.4 maunds


converted to ghee

3.6 maunds

2 Maund (abbreviated to mds in Figure 2.4) is a volumetric measure corresponding to about 90 pounds (40 kg) of sugarcane; ghee is measured by the seer (about 14 pounds or 6 kg).

Figure 2.4 consists of two sections: the household component, circumscribed by a boundary line in the top right section of the diagram, and the farm component of the farm-household system which constitutes the remainder of the diagram.

Referring to the household component of Figure 2.4, the farm family consists of seven members of all ages. Together these members are capable of supplying 1 053 labour days annually. In fact there is only enough work on the farm to occupy 443 labour days, and only 21 days of off-farm work can be found, thus 589 days are either occupied in farm maintenance or development work not connected with any particular crop, or are occupied in social/religious activities, or are idle. (Here they are shown as 'idle'.)

The second general input by the family into the farm component is cash for meeting the direct costs of each of the production activities. This cash is obtained by the household as Rs 2 848 from sale of farm produce plus Rs 65 from 21 days of off-farm work. (Of course the family component also supplies other vital inputs to the system - management, direction and purpose - but these cannot be measured.) These family-provided inputs into each of the activities, cash and labour days, are shown in Figure 2.4 in the two top rows of the farm component.

Consider now the farm component as depicted in Figure 2.4.

Activities: Referring to the activity columns in the body of Figure 2.4, each of these is an abbreviated activity budget (Chapter 4) showing first the inputs to and then the outputs from the activity. For example, the inputs to 0.7 acres of sugar beet are cash Rs 79, labour 48 days, bullocks 8.5 days, manure 66.5 maunds; and the outputs are 32 maunds of leaves (by-product) and 175 maunds of beets. Similarly, the inputs to sugarcane are cash Rs 250, labour 82 days, bullocks 14.4 days, manure 80.6 maunds; and the outputs are 185 maunds of cane tops (for bullock feed) and 542 maunds of sale cane, plus a small but unknown amount of cane diverted to home processing for gur which as a separate activity uses Rs 77 cash, 25 labour days and 2.2 bullock days, and yields 15.5 maunds of such 'country' sugar of which 6.8 maunds is consumed and 8.7 maunds is sold.

FIGURE 2.4 - Structural Model of a Pathan Farm exemplifying a Type 2 Farm

The two livestock activities - dairy and draught oxen - are shown at the left side of the model. Inputs are cash costs, labour and livestock feed. This latter is somewhat complex.

Livestock feed: Feed is shown in two units of measurement: amount (i.e., maunds of around 40 kg) of actual material, and the equivalent in maunds of total digestible nutrients (TDN). This conversion is desirable in order to standardize each of the several different feedstuffs produced on the farm, each having a different nutritional value, into a common basis of units of TDN. The total amount of feed fed to the livestock is shown at the top of the livestock columns, 101 maunds of TDN, coming from the 'total feed pool'. All feed entering this common pool comes from one of three sources: (a) grass (cut from the orchard) equivalent to 5.9 maunds of TDN; (b) 613 maunds of green feed, equivalent to 63.8 maunds of TDN, which comes from some of the crop activities (berseem 246 maunds, beet leaves 32 maunds, cane tops 185 maunds, maize green chop 150 maunds) and (c) 79.3 maunds of dry feed, equivalent to 31.3 maunds of TDN, from some of the crops (maize stover 14.8 maunds, millet 33.2 maunds, bhoosa/wheat straw 31.3 maunds).

The green feed is shown as cycling to the left and being accumulated in a 'green feed pool' totalling 613 maunds of material, equivalent to 63.8 maunds of TDN; the dry feed items are accumulated to the right into a 'dry feed pool' totalling 79.3 maunds of material or 31.3 maunds of TDN. Then, as the arrows indicate, both these green and dry feed pools are accumulated above the livestock activities into a 'total feed pool' which, when supplemented by cut grass, totals 101 maunds of TDN flowing to all the dairy and draught animals (which include young and dry stock as previously listed). These feed flows refer only to feed produced on the farm. In addition, stock are grazed on village common lands when grass is available there (the amounts of such grazing could not be recorded).

In summary, the following widely diversified feedstuffs are obtained on this type of farm: grass from the orchard, some rough common-lands' and roadside grazing, berseem clover, beet tops, sugarcane tops, green maize chop, dry maize stalks, millet and wheat bhoosa (straw). Only two of these items are specially grown for the cattle, namely berseem and millet.

Livestock outputs: The cattle activities generate three outputs: bullock power, manure for the crops, and milk. The number of bullock days flowing to each of the crops are shown, being 2.0 for the clover, 5.5 for the orchard, 8.5 for the sugar beet etc. Crushing of sugarcane for gur also uses 2.2 days of bullock power. Bullock power not used is shown as 291 'idle' bullock days. Below the livestock activities, a total of 242 maunds of manure are accumulated from all the livestock. This also is shown flowing to the crops: 25.8 maunds to berseem. 0.4 for the orchard, 66.5 for the sugar beet etc.

Final activity outputs: The lower section of the model shows the final products flowing from each activity and the amount of each product consumed by the household or sold, each in quantity and value terms.

Household income: Farm income consists first of the value of produce consumed. This is accumulated to the right in Figure 2.4 and enters the household component of the system as a total value of Rs 1 638. Second, cash from farm sales is similarly accumulated and has a total value of Rs 2 848. Total income, real plus imputed, is Rs 4 551 which includes the small income from non-farm work. Thus, for this year, income in kind from home-consumed production constitutes 1 638/4 551 or 36 per cent of total gross family income. On this basis, it might be said that the farm is about one third subsistence oriented and two-thirds commercially oriented.

As shown, total cash inputs into all the activities amount to Rs 675. Thus, in this particular year, the household would have a cash 'surplus' of Rs 2 848 + 65 - 675 or Rs 2 238. This amount would be available to meet any cash costs in farm maintenance (which were not considered as a cost in the model), and to meet cash living expenses for purchased clothing, food, medical expenses etc. Any final surplus after meeting these latter expenses would be available as savings.

In summary, this Pathan fanning system from the North West Frontier Province of Pakistan is a highly diversified one. It has 11 major production and processing activities and it produces 15 separate products and by-products (excluding bullock power, young livestock and manure for the fields). Cash inputs are low, mainly for fertilizer for some of the crops and a minimal amount of agricides; most seed is retained. Although a significant degree of self-sufficiency is present, it is not a true subsistence farm. This latter type is examined in the following section.

Model of a Type 1 farm

Most farms of Type 1 (i.e., small subsistence-oriented family farms) in Asia now have at least some element of commercialisation and generate at least some small amount of cash for the purchase of essential items. At the top end of the structural scale this type merges into the small mixed Type 2 farms; at the bottom end it includes the locally-shifting cultivators of Sarawak-Kalimantan (and these merge into the hunter-gatherers and forest dwellers of New Guinea, Kalimantan, Sarawak and Sumatra).

Subsistence or near-subsistence is a condition more often imposed than voluntary: one sub-classification could be on the basis of external causal factors; e.g., the near-subsistence farms of India, the hills of Nepal and parts of Java exist because of shortage of land; those of Bhutan (where land is seldom limiting) because of isolation and the lack of roads and markets; and those of the new settlement areas of Sri Lanka because of the lack of family labour and oxpower to till more than a minimal subsistence area.

When examined from the viewpoint of their range of activity, variation of this farm type ranges all the way from being highly mixed to almost mono-crop. In the first of these conditions, this type merges into Type 2 farms. In the second extreme condition these farms are structured around production of a single bulk staple - usually maize, dry paddy, cassava, palm sago or coconut. Secondary foodstuffs and non-food subsistence items are obtained by supplementary activities: fishing; hunting or collecting in nearby forest areas for food or items for sale (birds, monkeys, butterflies, orchids, beeswax, rattan etc.); or by sending a family member off to work somewhere outside the subsistence environment.

Although they can generally be described as resource-poor, poverty is not necessarily a characteristic of Type 1 farm families. At one end of the scale the economic condition might be poverty verging on destitution, even starvation. At the other extreme it might be prosperity when that condition is judged by an availability of resources in excess of those needed to maintain a reasonable physical existence.

Again the best way of illustrating systems of this subsistence type is with the aid of a model. Such a model is shown in Figure 2.5 which describes the structure and operation of a near-subsistence farm located at about 1 700 m (5 500 feet) above the town of Wangdiprdan in Central Bhutan. The chief features of this farm are its highly diversified activities and its very high level of self-sufficiency. In this example the farm is a prosperous one (as that term was defined above) and its subsistence nature is based on isolation, poor roads, lack of markets and therefore of incentive - indeed opportunity - to enter the commercial world. The model refers to an operating period of one year.3

3 Data from a 1985 farm survey by Nim Dorji and the senior author. The monetary unit is Ngultrum (Nu) = US 8.7 cents in 1985.

The farm's land resources consist of 1.75 langdo4 (0.25 hectares) of dry paddy fields, 1.25 langdo (0.18 hectares) of dry fields, and 4.00 langdo (0.4 hectares) of wetland rented from a local monastery. However, the effective size of this farm is only 5.75 langdo: the 1.25 langdo of dryland is too far away to be easily worked and, since more accessible land can be rented from the local monastery, the dryland portion is not used. (If it were cultivated there would be no market for the extra produce, which would also be surplus to family requirements.)

4 A langdo is the area a pair of oxen can plough in a day: a dry langdo is about one seventh of a hectare and a wet paddy-field langdo is about one tenth of a hectare.

The farm family consists of five adults, all able to work full-time if necessary, i.e., a population density and potential workforce of six persons per hectare. It is assumed that this family could provide a potential supply of 1 200 labour-days annually. Livestock resources are also high relative to farm size: two oxen, two milkcows, three young cattle, three pigs, three hens. Cattle are grazed off the farm on common lands for more than half the year.

The farm structural model of Figure 2.5 consists of six parts as indicated by the circled numbers 1 to 6 in the diagram. Part 1 shows human, livestock and land resources, as noted above. Part 3 shows the farm resource pool. All resources except rented land are owned or are generated by the system itself (all seed, manure, bran, labour etc.). There are no purchased inputs; even the rented land is paid for by barter with the monks.

In Part 2 of the structural model, all productive activities (subsystems) are listed in separate activity columns. There are nine of these (plus one external resource-generating activity): tending cattle, pigs and poultry; growing paddy, wheat, buckwheat, mustard, vegetables/chillies and fruit. The external resource-generating activity consists of one family member working part-time off the farm (for local government, clearing paths and roads after landslides).

The coefficients within each upper column of Part 2 are the resources used by the respective subsystems: e.g., the paddy crop uses 5.25 langdo of land, 115 labour days, 29 kg of seed, 14 tonnes of manure and 23 draught ox days. Of the used total area of 5.75 langdo, two langdo are doublecropped.

Part 4 shows all intermediate products (bran, grain, straw, draught days, manure and seed) which are produced by the nine farm activities. These are generated in the activity columns, accumulated to the left in the 'intermediate outputs' section (Part 4), then cycled back to the resources pool of Part 3 and from there to the activities which use each such resource/input. As shown by the left-side arrows from Part 4 to Part 3 and thence to Part 2 of Figure 2.5, resources used up by the activities (Part 2) in any year are replenished by the activities producing intermediate products, but these need not exactly balance because some resources may be held over in storage: e.g., in this year 21.5 tonnes of manure are used on the crops but only 15 tonnes were produced; 6.5 tonnes came from storage not recorded in Part 3 of Figure 2.5.

FIGURE 2.5 Structural Model of a Bhutanese Farm exemplifying a Type 1 Farm

Part 5 of Figure 2.5 lists and aggregates final outputs from the nine activities: e.g., for the paddy activity the intermediate products from paddy (bran, straw, seed) cycle to the left in Part 4 and then up to the resource pool. But the final paddy products consist of 934 kg of grain used for family food, 340 kg converted to alcohol (consumed not sold), 410 kg bartered to other families for other types of food not produced on this farm and 112 kg of paddy paid as rent to the monks for the four langdo of wetland.

The various food items produced and consumed on the farm are shown in the 'food' line of Part 5: 13 kg of butter and 50 kg cheese from the cattle, a 50 kg pig, 10 kg eggs, 934 kg of paddy, 20 kg of wheat etc. Alcohol was made from a total of 366 kg of grain (paddy and wheat).

The bottom of Part 5 shows those outputs which were sold. In this particular year the only marketed items were some citrus fruit (76 kg) and vegetables (70 kg) which were sold for Nu 16 and Nu 50 respectively at the Wangdiprdan weekly 'hat' (street market).

Clearly this farm system is one very close to complete subsistence. There are no purchased inputs into the crop/livestock activities and all farm capital items such as ploughs, harrows and ox gear are home-made, as are the woven storage bins for grain storage. The mustard seed oil for home use is extracted using a kitchen press and used for both cooking and in the lamps before the family's Buddhist altar.

Parts 1 to 5 of the model refer to the farm components of the farm-household system. Part 6 refers to the household component: this consists of data relating to the use of family labour, and to family income (cash plus food) and non-farm family expenditure. Of the 1 200 days of family labour available, 444 days are used in farm activities and off-farm work, leaving 756 days designated as 'idle'. (In fact some of these would be used in general maintenance around the farm in jobs not directly related to any of the nine production activities.)

Total cash family income as shown in Part 6 amounts to Nu 786: Nu 720 is from off-farm work; only Nu 66 is from sale of farm produce. From this cash income, family cash (non-farm) living costs are deducted, leaving an apparent net deficit this particular operating year of Nu 189. The items comprising family cash expenditure are shown: Nu 600 for purchased food, Nu 70 for purchased fuel (kerosene), Nu 80 for household items, Nu 75 for insurance and Nu 150 for clothing. The apparent negative cash balance of Nu 189 would be made up from savings or by obtaining credit for purchases.

Due to off-farm work and cash expenditures for the items shown, the farm-household system at this point has ceased to be a purely subsistence one. However, if the family's economic conditions changed for the worse, the expenditure pattern could be easily adjusted to reduce or eliminate some of the cash expenditure items (especially food which consists mainly of 'luxury' items), and the remaining needs for cash could be met by sale of a pig or a little mustard oil.

It is now possible to turn in following chapters to an examination of the individual structural elements of this and other types of farm systems.

2.3 REFERENCES

Ashby, J.A. and L. Sperling (1995). 'Institutionalizing Participatory, Client-driven Research and Technology Development in Agriculture', Development and Change 26(4): 753-770.

Axinn, N.H. and G.H. Axinn (1983). Small Farms in Nepal: A Farming Systems Approach to Description, Rural Life Associates, Kathmandu.

Chambers, R. (1983). Rural Development: Putting the Last First, Longman, London.

Chambers, R. and B.P. Ghildyal (1985). 'Agricultural Research for Resource-poor Farmers: The Farmer-first-and-last Model', Agricultural Administration 20(1): 1-30.

Dillon, J.L. (1980). The Definition of Farm Management', Journal of Agricultural Economics 31(2): 257-258.

Dillon, J.L. and J.B. Hardaker (1993). Farm Management Research for Small Farmer Development, FAO Farm Systems Management Series No. 6, Food and Agriculture Organization of the United Nations, Rome.

Dixon, J.M., M. Hall, J.B. Hardaker and V.S. Vyas (1994). Farm and Community Information Use for Agricultural Programmes and Policies, FAO Farm Systems Management Series No. 8, Food and Agriculture Organization of the United Nations, Rome.

Fresco, L.O. and E. Wesphal (1988). 'A Hierarchical Classification of Farm Systems', Experimental Agriculture 24: 399-419.

McConnell, D.J. (1972). The Structure of Small Farms in Peshawar, NWFP, Pakistan, UNDP-FAO Consultant's Report TA3070, Food and Agriculture Organization of the United Nations, Rome.

McConnell, D.J. (1992). The Forest-garden Farms of Kandy, Sri Lanka, FAO Farm Systems Management Series No. 3, Food and Agriculture Organization of the United Nations, Rome.

Makeham, J.P. and L.R. Malcolm (1986). The Economics of Tropical Farm Management, Cambridge University Press.

Matlon, P., R. Cantrell, D. King and M. Benoit-Cattin (eds) (1984). Coming Full Circle: Farmers' Participation in the Development of Technology, IDRC, Ottawa.

Mikkelsen, B. (1995). Methods for Development Work and Research: A Guide for Practitioners, Sage Publications, London.

Norman, D.W., F.D. Worman, J.D. Siebert and E. Modiakgotia (1995). The Farming Systems Approach to Development and Appropriate Technology Generation, FAO Farm Systems Management Series No. 10, Food and Agriculture Organization of the United Nations, Rome.

Rhoades, R.E. and R.M. Booth (1982). 'Farmer-back-to-farmer: A Model for Generating Acceptable Agricultural Technology', Agricultural Administration 11(2): 127-137.

Tripp, R. (ed.) (1991). Planned Change in Farming Systems, Wiley, Chichester.

Upton, M. (1973). Farm Management in Africa, Oxford University Press, London.

Upton, M. and J.M. Dixon (eds) (1994). Methods of Micro-level Analysis for Agricultural Programmes and Policies, FAO Farm Systems Management Series No. 9, Food and Agriculture Organization of the United Nations, Rome.

Werner, J. (1993). Participatory Development of Agricultural Innovations: Procedures and Methods of On-farm Research, Schriftenreihe der GTZ No. 234, GTZ, Eschborn and SDC, Bern.


Previous Page Top of Page Next Page