Abstract
Introduction
Training to Observe
Some Devices for Characterising the Effects of Soil Tillage.
Response of Course Participants
Résumé
References.
Bernard Jacobi*
(* LIAC, Deventer, The Netherlands.)
Especially for draught animal-based soil tillage, there exists a wide gap between objectives and actual performance at farm level. Extension workers and others directly involved infield operations at farm level should have 'tools' to quantify tillage effects in order to know what is going on and give feedback.
This paper deals briefly with how tillage effect observation techniques are embedded in a curriculum of an international course on training the draught animal technology (DAT) trainers organised by Larenstein International Agricultural College (LIAC) and the Centre for Tropical Veterinary Medicine (CTVM).
Soil tillage research ranges from basic research under laboratory conditions, soilbin research, on-station field trials, to on-farm research Lines for feeding and feedback between farmer and research (team) are still long, though promising approaches towards a more direct communication in terms of interdisciplinary on-farm research have evolved awing the past decade (Jaeger 1986).
Priority in tillage research should be set by criteria like highest return (of course) and may range from developing soil-and water conservation systems for various crop-rotations to quantifying the effect of tillage depth on weedroot mass distribution.
Devices for recording basic data on equipment-soil-crop interactions and software for simulation models of tillage systems are becoming increasingly available. However, the literature regarding draught animal-based soil tillage often refers to this rather complex operation in terms of: 'Two ploughings', 'Four cross-ploughings' or 'Ridging' etc., without further quantification (Pingali et al. 1987). Why?
Research results may lead to rather too detailed recommendations like: 'Inverting tillage, 10 cm depth for alfisols, 95 days before harvesting with expected yield reduction of 15% for a tillage/sowing delay of one week'. With tractor linked equipment, this recommendation may be realised, and even handhoe equipment in spite of timeliness, may come close to it, but with draught animal-based mouldboard ploughs, the result may be anything in between meeting the recommendation and having 'touched' only 60% of the soil at an average depth of 4 cm (Jacobi 1976). Similar results were observed for operations required for surface shaping (e.g. ridging) to facilitate handling the crop and the soil and moisture regime. Limits set by animal draught power often do not allow adequate handling of the tillage implement unless ideal soil conditions in terms of texture and moisture content are present.
Surface profiles as recommended and shown in Figure 1 (Lal 1985), are nearly impossible to realise and/or to maintain over a longer period.
With animal traction-based soil tillage, the gap between what should be done and actual field results is substantial with consequences like disappointing crop performance. These statements are well known to research workers and research and development departments of manufacturers of equipment. However, fieldstaff of extension services may face difficulties in interpreting where things went wrong.
Training programmes for extension workers, engaged in guiding the process of introducing new or improved implements, should include the subject of basic observation techniques with regard to soil tillage effects. Reasons for this are that systematic observation makes one more alert with respect to:
· setting/adjusting of the implement;
· evaluation of the implement and tillage performance;
· giving feedback to research and development.
Fig 1. Crop combinations on a new type in situ rainwater harvesting technique (Lal 1985).
Since 1988, the LIAC and the CVTM of the University of Edinburgh jointly offer a three months course on DAT. This international course is a mid-career training for persons engaged in training of extension staff The course covers a wide range of topics e.g.: draught animal management, management of DAT- programs, training methodology, harnessing, etc. The module soil management includes:
· soil management for various agroclimatic regions;
· soil physical properties;
· tillage systems for soil and water conservation;
· exercises in analysing home situation; practicals on equipment usage;
· equipment evaluation (design, operation, adjustments);
· evaluation of operational performance.
With regard to the evaluation of tillage effects, course participants do exercises on the use of devices for measuring surface roughness, thickness of loosened layer, bulk density, moisture content, aggregate size distribution, specific mechanical soil resistance, weed population, etc. Some of these devices are described below.
Micro Relief Meter
Twenty, 60 cm long, needles are clamped in a frame to maintain their 5 cm interspacing in one plane and parallel alignment. When in vertical position a needle will indicate the distance between the soil surface and the height of reference. For this purpose there is a 10 cm division on the needle and a 1 cm division on the reference frame resulting in a 1 cm accurate reading of the height. A spirit level indicates the horizontal position of the frame. The needles are kept in position by rubber bands. They are released simultaneously, and fall onto the soil surface. They are then clamped back onto the frame and the distance that each needle has fallen is recorded to give a profile of the soil.
Applications:
· Measuring cross section of furrows, ridges and ruts made by wheels of machines, etc.
· Depth of seed bed
· Roughness of the field after tillage operation.
In Figure 3 an example of how to present resulting data is depicted.
Fig 2. Sketch of the micro-relief meter. The needle is not depicted; it is housed in the upper frame profile. (source: Kuipers 1957; Jacobi 1976)
Fig 3. Cross section (150 cm) of soil loosened by one passage with a bullock plough. A. S1 soil type; B. S2 soil type. (source: Jacobi 1976)
Core Sampler
The idea underlying this device is to take 'undisturbed' samples of 100 cc and to keep each sample embedded in a hollow aluminum cylinder during the required manipulations (i.e. during the determination of the water retention curve). The sampler consists of three pieces: the holder with handle, the cutting head and the 100 cm3 aluminum cylinder. The cylinder is inserted in the holder and locked in the cutting head by a bayonet catch. After taking the sample the cylinder is removed and excessive soil on both sides of the sample is cut away by a knife. To take samples in deeper layers the top layers are to be removed by a spade.
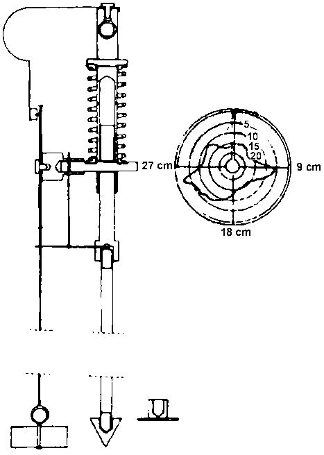
Self Recording Soil Penetrometer
This device records the mechanical resistance it meets during a vertical penetration of its conus or stamp into the soil. The stainless steel rod on which the conus or stamp is screwed can slide in the bush compressing a coil-spring. On the rod a shaft is fixed on which a circular chart holder can rotate. A pointer is fixed to the holder and registers the deflection of the spring on the chart (mechanical resistance for the conus). In order to obtain a 'resistance versus depth of penetration'-curve, the chart is made to rotate, its angle of rotation being proportional to the depth of penetration. The chart holder is springloaded and can only unwind while winding a string on which a counter weight that remains on the soil surface. This happens when the conus or stamp penetrates the soil.
Fig 4. Sketch of the core sampler in a disassembled position. (Source: Jacobi 1976)
The dimensions of the conus are: projected surface 2.5 cm2 and a tip angle of 60°. The flat circular plates have a size of respectively 25.50 and 100 cm2. The latter are mainly used in puddled soils to determine the depth of the hard pan and the change in mechanical resistance in the course of the growing season.
Applications
A soil penetrometer measures the resistance due to a combined effect of friction and flowing and as such cannot give any data on individual characteristics of the soil. However, it will provide information on the bearing capacity of the soil and differences in soil consistency in the soil profile.
Fig. 5 Sketch of the self recording soil penetrometer; cross-sectional view. Conus as well as circular plate stamp are shown. On the righthand side a sample chart with recordings. (Source: Jacobi 1976)

Participants of the DAT-course agreed that the exercises on characterising soil tillage effects contributed in getting a better understanding of tillage effects. However, time required for data processing and interpretation may be a discouraging factor in getting such evaluation techniques widely accepted. For the 1991 DAT course it is suggested that less sophisticated evaluation techniques, like those used by Fleur (1987) are included.
Il existe, en particulier pour ce qui concerne le travail du sol en culture attelée, un fossé entre les objectifs poursuivis et les performances effectivement obtenues au niveau de l'exploitation. Les agents de vulgarisation et les autres personnes conduisant des opérations culturales en milieu paysan devraient disposer d'outils qui leur permettent de quantifier les effets du travail du sol, de sorte qu'ils paissent savoir ce qui se passe et assurer un retour de l'information. La présente communication explique succinctement comment l'apprentissage des techniques d'observation des effets du travail du sol a été intégré dans le programme d'un cours international sur la technologie de la traction animale organisé par le Collège agricole international de Larenstein (LIAC) et le Centre de médecine vétérinaire tropicale (CTVM).
Fleur, D.G. 1987. Measurements of tillage effects of ox-drawn implements, and physical conditions in the seedbed-comparisons with tractor-mounted implements: A study from the Arsi Region of Ethiopia. Working paper 41, Swedish University of Agricultural Sciences, International Rural Development Centre, Uppsala, Sweden, 55p.
Jacobi, B.1976. Soil tillage pp 56-64 and 118-126. In Mechanization of Rice Production India-Nigeria-Senegal. FAO, Rome, Italy, 152p.
Jaeger, W.K. 1986. Agricultural Mechanization; the economics of animal draft power in, West Africa. Westview Special Studies in Agriculture Science and Policy. Westview Press, Boulder, Colorado, USA. 199p.
Kuipers, H. 1957. A reliefmeter for soil cultivation studies. Netherlands Journal of Agricultural Science 5. 255-262.
Lal, H. (1985). Animal-drawn wheeled tool carrier an appropriate mechanization for improved fanning systems. Agricultural Mechanization in Asia Africa and Latin America, 16, 1, 38-44.
Pingali, P., Bigot, Y. and Binswanger, H 1987. Agricultural Mechanization and the evolution of fanning systems in Sub-Saharan Africa. World Bank, Washington DC, in association with Johns Hopkins Press, Baltimore, USA.